企業介紹
公布的精力:2019-02-25 11:12:58 閱覽:2176
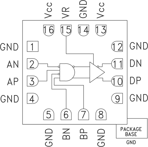
HMC746一種AND / NAND / OR / NOR的功能,目的在于適用高達hg獨角獸13 Gbps的信息互傳傳輸速度和高達hg獨角獸13 GHz的數字時鐘頻率。HMC746就可以很會地配值為帶來了一些一些道理性能:AND,NAND,OR和NOR。HMC746還兼有輸入電平管控引腳VR,可實行耗損率補充或訊號電平簡化。
HMC746的所有搜索和輸出的的信號均以50歐姆至V cc片內端接,能夠是學習交流或直流變壓器合體。復制粘貼和所在不錯直接性接到50歐姆至V cc端接操作系統,而這樣端接操作系統保護接地50歐姆,則能否用到隔直電容器。HMC746進行+ 3.3V單開關電源供水,進行適用RoHS要求的瓷器3x3 mm SMT二極管封裝。
要是您必須要選擇HMC746LC3C,請超鏈接右面客戶服務取得聯系我!!!
品牌
型號
貨期
庫存
ADI
HMC746LC3C
1周
90
操作
優勢和特征
22/21 ps
輸入相電壓擺幅:600 - 1100 mV
SMT裝封:9mm2
示意圖
