HMC565LC5低嘈音圖像運放電路單片機芯片 ADI現貨平臺
發布信息時間段:2019-02-26 10:52:55 瀏覽訪問:1760
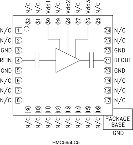
HMC565LC5就是款高靜態范疇GaAs PHEMT MMIC低的噪音變小器,用按照RoHS原則的無引腳5x5mm SMT封口。 HMC565LC5事情的事情頻率范疇為6至20 GHz,在所有事情的頻段內具備著21 dB小4g信號增益控制、2.5 dB的噪音數值和+20 dBm打出IP3。 隨著用+3V24v電源供水和隔直RF I/O,該自偏置LNA相對最適合微波射頻wifi手機電用途。
|
品牌
|
型號
|
貨期
|
庫存
|
|
ADI
|
HMC565LC5
|
1周
|
100
|
倘若您要有購置HMC565LC5,請彈窗右則客服熱線練習大家!!!
應用
-
點對點無線電
-
點對多點無線電和VSAT
-
測試設備和傳感器
-
軍事和太空
優勢和特征
-
噪聲系數: 2.5 dB
-
增益: 21 dB
-
OIP3: 20 dBm
-
單電源: +3V (53 mA)
-
50 Ω匹配輸入/輸出
-
符合RoHS標準的5x5 mm封裝
示意圖

深圳市立維創展科技代理銷售ADI現貨產品,致力于為廣大客戶提供低價格、高質量、有保障的產品,提供優質的售前與售后服務技術。如您有任何產品需求以及服務請聯系我們客服人員,我們會再第一時間內為您解決問題。