HMC409LP4E/HMC409LP4ETR高效益率瓦數變大器 ADI現貨黃金
發布信息事件:2018-06-26 11:07:05 網頁瀏覽:7547
HMC409LP4(E)都是款高效能率GaAs InGaP HBT MMIC電效率調小器,業務頻帶寬度條件為3.3至3.8 GHz。 該調小器主要包括低直接費用、無鉛SMT封裝。 它主要包括很少的間接部件,提供數據31 dB增加收益,過飽和電效率為+32.5 dBm,主機電源相電壓為+5V。 電效率操縱(Vpd)可于全節電經濟模式或RF輸入打出電效率/瞬時電流操縱。 對於+22 dBm OFDM輸入打出電效率(64 QAM, 54 Mbps),HMC409LP4(E)可實現了2%的隨機誤差矢量圖大幅度(EVM),然后足夠WiMAX 802.16線形度需求。
|
品牌
|
型號
|
描述
|
貨期
|
庫存
|
|
ADI
|
HMC409LP4E
HMC409LP4ETR
|
1 W功率放大器SMT,3.3 - 3.8 GHz
|
現貨
|
237
|
HMC409LP4應用
-
WiMAX 802.16
-
固定無線接入
-
無線本地環路
HMC409LP4優勢和特點
-
增益: 31 dB
-
40% PAE (+32.5 dBm pout)
-
2% EVM (Pout = +22 dBm)
具有54 Mbps OFDM信號
-
+46 dBm輸出IP3
-
集成功率控制(Vpd)
-
+5V單電源
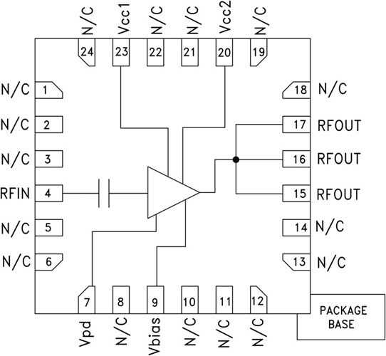
HMC409LP4結構圖
