HMC499LC4/HMC499LC4TR中低功效放小器無引腳 ADI期貨
發布了周期:2018-06-26 11:11:34 瀏覽網頁:2173
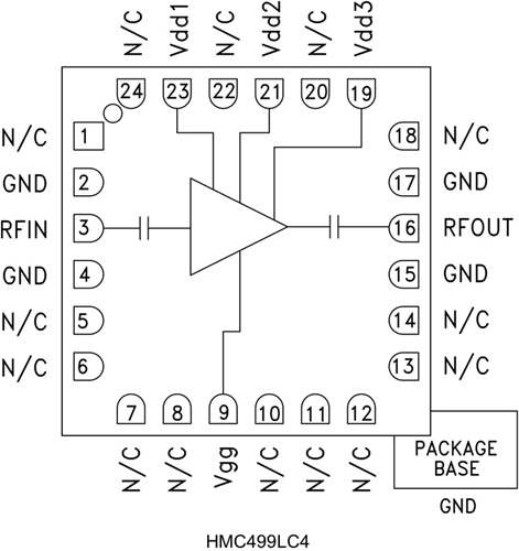
HMC499LC4都是款高動態數據條件GaAs PHEMT MMIC中高運作效率調小器,采取符合要求RoHS規格的無引腳“無鉛”SMT封裝。 該調小器存在21至32 GHz的運作條件,提拱16 dB增益值、+24 dBm飽滿運作效率和16% PAE(+5V電源開關電壓降)。 隔直RF I/O匹配好至50 Ω,動用便于。 HMC499LC4不必線焊,能夠動用表貼制造廠技巧。
|
品牌
|
型號
|
描述
|
貨期
|
庫存
|
|
ADI
|
HMC499LC4
HMC499LC4TR
|
中等功率放大器,采用SMT封裝,21 - 32 GHz
|
現貨
|
215
|
操作
-
點對點無線電
-
點對多點無線電和VSAT
-
測試設備和傳感器
勝機和特征
-
輸出IP3: +34 dBm
-
飽和功率: +24 dBm (16% PAE)
-
增益: 16 dB
-
+5V(200 mA)電源
-
50 Ω匹配輸入/輸出
-
符合RoHS標準的4x4 mm SMT封裝
組成部分圖
