HMC311LP3異質結雙旋光性氯化鈉晶體管 ADI期貨
更新時:2019-02-18 10:05:38 瀏覽器:1620
HMC311LP3就是款GaAs InGaP異質結雙化學性質多晶體管(HBT)收獲版塊MMIC SMT調小器,工作中聲音頻率范圍圖為DC至6 GHz。 此款3x3mm QFN裝封調小器可以用作級聯50 Ohm收獲級或應用在驅動包模擬輸入電機功率到達+17 dBm的HMC混頻器LO。 HMC311LP3(E)打造14.5 dB的收獲,+32 dBm的模擬輸入IP3,另外僅需+5V主機電源打造56 mA電壓。 運用的達林頓回饋對可有效降低對常規的工藝變化規律的明感度,打造很棒的工作溫度收獲保持穩定量分析,只需極低的外接偏置零件。
|
品牌
|
型號
|
貨期
|
庫存
|
|
ADI
|
HMC311LP3
|
1周
|
60
|
如果您須要購HMC311LP3,請點選左測客戶服務中心溝通.我!!!
HMC311LP3應該用
-
蜂窩/PCS/3G
-
固定無線和WLAN
-
有線電視和電纜調制解調器
HMC311LP3優缺點和作用
-
P1dB輸出功率: +15.5 dBm
-
輸出IP3: +32 dBm
-
增益: 14.5 dB
-
50 Ohm I/O’s
-
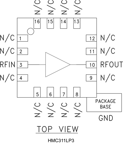
16引腳3x3 mm SMT封裝: 9mm2
HMC311LP3結構圖

深圳市立維創展科技代理銷售ADI現貨產品,致力于為廣大客戶提供低價格、高質量、有保障的產品,提供優質的售前與售后服務技術。如您有任何產品需求以及服務請聯系我們客服人員,我們會再第一時間內為您解決問題。