HMC437MS8GE低噪音源靜態式的分頻器 正品外盤
披露時候:2019-02-18 10:22:56 打開網頁:2185
HMC437MS8GE就是一款低躁聲1分鐘頻靜態式的分頻器,在用InGaP GaAs HBT枝術,按照低人工成本8引腳表貼塑膠板材芯片封裝。 此電子器件在DC(在用方波錄入)至7 GHz的錄入概率下的工作,在用+5V DC單主機電源。 100 kHz偏置時的低加性SSB相位躁聲為-153 dBc/Hz,這會有利于玩家維持優異的系統化躁聲能力。
|
品牌
|
型號
|
貨期
|
庫存
|
|
ADI
|
HMC437MS8GE
|
1周
|
30
|
假如您想要購HMC437MS8GE,請鼠標點擊右邊人工客服關聯我們的!!!
HMC437MS8GE應用軟件
-
UNII、點對點和VSAT無線電
-
802.11a和HiperLAN WLAN
-
光纖產品
HMC437MS8GE優勢和特點
-
SSB相位噪聲: -153 dBc/Hz(100KHz)
-
寬帶寬
-
輸出功率: -1 dBm
-
單直流電源: +5V (69 mA)
-
MS8G SMT封裝
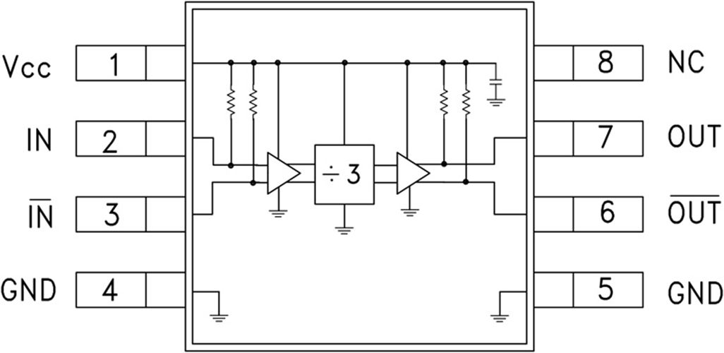
HMC437MS8GE結構圖

深圳市立維創展科技代理銷售ADI現貨產品,致力于為廣大客戶提供低價格、高質量、有保障的產品,提供優質的售前與售后服務技術。如您有任何產品需求以及服務請聯系我們客服人員,我們會再第一時間內為您解決問題。