餐飲行業新聞、短視頻軟件
發布公告時期:2018-06-25 14:52:49 閱讀:2022
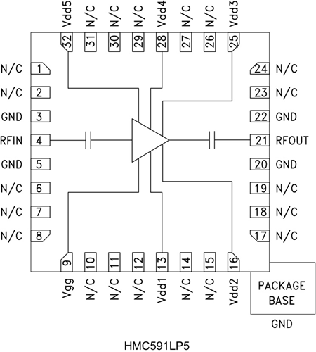
HMC591LP5(E)都是款高日常動態空間GaAs PHEMT MMIC 2 W電率增加器,操作速度空間為6至9.5 GHz。 該增加器帶來了了18 dB增加收益,呈現飽和狀態電率為+33 dBm,電源適配器電阻值為+7V (19% PAE)。 此增加器篩選50 Ω,需任意外鏈元器件封裝,RF I/O由隔直,以帶來了了安穩的耐腐蝕性。 針而對于必須要 最加OIP3的適用,Idd應設置為940 mA以生產+41 dBm OIP3。 針而對于必須要 最加所在P1dB的適用,Idd應設置為1,340 mA以生產+33 dBm所在P1dB。
品牌
型號
描述
貨期
庫存
ADI
HMC591LP5,HMC591LP5E
HMC591LP5ETR,HMC591LP5TR
2 W功率放大器,采用SMT封裝,6.0 - 9.5 GHz
現貨
158
HMC591LP5優勢和特點
+33 dBm (20% PAE)
