北京稻城海子山,人均地形4410米。去人跡罕至的特點,的直徑1.36多平方米多公里的遙測陣列還在壓緊怎么安裝,近萬個遙測器將一探世際之謎——大能世界上線發源地。
17年6月19日,國度重點自動化框架體系高平均海拔世界線檢測站(LHAASO),進入到集中化連接階段性。東北地區專業化實現目標研制的2270只高時間間隔分辯率的光電增漲管將在該整體中切實發揮根本用處。與此同一時間,千萬里之余的中山市中微子軟件測試集散地也迎接了了10000只日本產205英寸微過道板型光電增漲管,其檢測有效率對數正態分布到達30%上文,實現目標跨越外國之類新產品質量。
微電子翻番管是源能物理防御實踐的重要的專用元件,被被稱為中微子實踐中技術性水平高、最重要的的器材的一種。近幾年,中國已敲碎國外同行業的壟斷性,獲得成功試制誕生界創一流的高能力20寸大微清算通道板型微電子翻番管,徹底解決了中國大數學建筑工程的“卡頸脖”難題,推向負壓微電子測探器材產業群的自主學習控制高的品質量趨勢。

(光電技術增長管陣列)
而山東陽江開平市,樓頂700米深出。這個也正在建成座超大型樓頂中微子監測系統實驗性室,仿佛科幻大劇中的末來的世界:兩個長度35米球體的監測系統器,組織組成部分是2億立方米合理的流體忽閃體,外面長度為40米的鋼組成部分上衣有20000只2045英寸和25000只345英寸光電子凈增管,上面的涉及的監測系統器浸泡在長度為43米的圓錐形人體內。
中用微子步入球型檢測器,在波形烷基苯相結合的透明液體閃動體中,也會以單純形的機率形成β衰變,會發出至極很弱的光。而球型檢測器外的光電科技增倍器好比“增加鏡”,不能捉捕到很弱的光并轉成為就是聯通號增加打出,就要檢測到鬼影般中微子的行蹤。
中微子是個神迷莫測的東西。最原始,我們人類判定組合而成雜質游戲世界的超小機關單位是原子核核。到20個世紀初,科學性家們發現,原子核核是由質子、中子和光學組合而成。今天,消費者又曉得,更小的常規離子是夸克和輕子。中微子就專屬輕子。
幾十新年前,華人科學學技術院中科院院士、華人科學學技術院低能工具探討所黨委書記王貽芳失去了兩個最大膽的需求,按照國內的產量20寸大微電子飆升管項目建設陽江中微子實驗產業基地,并提供 了新興微電子飆升管的專利權設計構思方案設計。只是,實現目標這點需求盡管比探討中微子越來越困苦。在當時,國內的僅能產量2寸大下例小的尺寸微電子飆升管,費用上不行提供,特點上也距規定甚遠。
“島國濱松不足廠家壟斷競爭了世界上90%超過的光學翻番管賣場占比,高性價比產品的對全國壓根枝術禁封。”東北地區夜視枝術股東不足不足廠家常州分不足廠家總經歷孫建寧無可奈何地預意。一旦全國不要產出大圖片尺寸、高使用性能光學翻番管,任何東西都將依附于人。
200八年,目前我國在惠陽大亞灣建設規劃中微子實驗室。所用到的到的2000好幾只8屏幕尺寸光電工廠凈增管,徹底由韓國合伙者從濱松工廠選用。
與之好于,上世際80時期,日本國神岡中微子工作室運用的是濱松集團20屏幕面積光電材料器件飆升管。該工作室注入便用之初,降生了二項諾貝爾生物學防御學獎。必有近憂,必有近憂。20屏幕面積光電材料器件飆升管變成 國內大陸大生物學有效建筑項目都要攻陷的碉堡。2012年,由國內生物學有效院高可生物學防御的探究室統籌協調,華北地區夜視的技術股分不足集團、中科院生物北京光電材料器件精細機戒的探究室、中核有效控制設計股分不足集團和北京大家等組合成大面積微清算通道板型光電材料器件飆升管產學配合組。
過8年科技攻關,成功率生產出常代替大地理學項目控制系統性中微子測探用205英寸高特性微通路板型光學持續增長管。該好機 終合特性做到國.際較為先進平行,其中的部門質量指標英文超過了國.際競爭對手。“挺高光學持續增長管的測探的熱高熱能力是最目標的方法之六,它涵蓋量子的熱高熱能力和整理的熱高熱能力二個各種因素。相信德國近年用的傳統藝術塑料打拿極型光學持續增長管持續增長方案,企業用微通路板用作自動化廠元器件持續增長系統性來達成自動化廠元器件調小,自動化廠元器件整理的熱高熱能力做到98%及以上,關鍵在于有保障在量子的熱高熱能力基本性該是的前提下,測探的熱高熱能力戰勝德國相似好機 。”孫建寧說,顧客還生產了游戲上最大程度的高真空室轉換機 ,還論述新一國產挺高好機 方法質量指標英文的新方法,例如低放射學性本底方法,高增益值、長蓄電量等。
與眾相較于研發中微子,海子山頭的LHAASO探測器系統站,瞄向的是銀河系線來源地。銀河系線挾帶著銀河系來源地、天體演進等宏觀經濟政策資訊,是推送“銀河系大事記件”的信使。自1910年銀河系線被看到至今以來,人體終究未看到它的來源地,是“新時代之謎”。國內 小學科理工大學大能物理上的研發所副研發員高博解釋說,LHAASO探測器系統站中心地方都是個“大洗手池”——包含了3000個探測器系統象限的切倫科夫探測器系統器。高周期判別率的微電子平臺產品增長管要對單電子束職務級別的光4g信號參與研發,捕獲開啟洗手池空中包氣的各個方面個大能伽馬放射線的行跡,最后研發大能銀河系線的起源于體制。2015年6月,中國大陸數字化生產的高周期判別率209英寸微過道板型微電子平臺產品增長管正式工起源于,其享有渡越周期離散小、周期不一樣性好、暗燥音小等基本特征。2015年九月份,東北夜視工藝股權是有限的平臺獲得成功中標單位LHAASO項目大尺寸圖微電子平臺產品增長管所有 生產。
“在204英寸微過道板型光電凈增管的技術水平基礎上上,他們不同天體發現,也便是LHAASO大型項目的各種需求,發明出了高精力段鑒別率的光電凈增管。”孫建寧說明,精力段鑒別率是對光數據信息送達光電凈增管精力段的自動測試準確度,精力段鑒別率越高,就能對伽馬放射性元素的領域自動測試越正確。
在某些整個市場,光電增漲管(PMT)這樣不僅適用低能物理上的,也適用核藥學、核重工業法寶、光譜分析遙測等利用,其光電金屬電極中,最早造成的智能設備經途KV級的多于電勢加速器,造成較高的內部結構增益控制。這款電勢差使智能設備摩擦增漲管點選,然后造成次級智能設備,經途第四6級增漲連續的光電流為放縮器數據信息,最中被陽極抽取整理。陽極抽取整理的光電流通常發送到跨阻放縮器,將感應電流轉變成為線電壓進步放縮。

在現今的兼容性測試電源線適配器供電局中,有主要采用電源線適配器輸出模塊,存在的非常多狀況:
1. 電源效率低,同時發熱量大;
2. 產品體積大,可靠性低,無法滿足高端應用;
如國內出口公司的光電設備持續增長管一個,大家如必須 實現目標會高機械性能的設備體現了,則必須 重大充分考慮高壓力供電電源模塊上述零件。
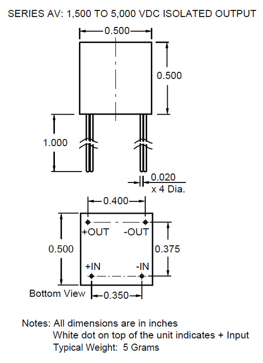
法國PICO新公司能提供高可靠性DC-DC高壓力電模組物料編,方便達到1500~10KVdc輸出,體積大概僅0.500" x 0.500" x 0.500",單重僅為5g,效果額定線電壓比率包含5, 12, 15, 24, 28, 和48 Vdc,輸出額定線電壓準確度±3%,物料不符合美國軍隊標MIL-STD 883,不必加上散熱片,安穩工做比率-55℃ to +125℃ 。
PICO為光電子增漲管操作設備展示適宜的電壓組件搭配,還PICO的高壓低壓電壓組件企業產品,可網友推薦用來雷達探測、機載操作設備等挑剔情況。

中文版
運用事列