中文翻譯
LA302 Z–10GHz差分限制放大器
LA302 Z–10GHz差分限制放大器高數據資料網絡通訊16針塑料材質QFN二極管封裝監測率:限幅縮放器手機輸入網絡帶寬:10 GHzSFDR:
LA310Z–8.3 GHz差分限制放大器
LA310Z–8.3 GHz差分被限變大器采樣系統率:限幅擴大器投入帶寬的配置:10 GHzSFDR:
10 Gbps跨阻放大器 TA205C
10 Gbps跨阻調大器 TA205C用途:10 Gbps跨阻調小器(5V)
LD162D? 差分激光二極管驅動器
OC-192/STM-64/10GbELD162DZ\U_G0 差分繳光穩壓管驅動下載器32針QFN打包封裝職能:差分TOSA帶動器(5V)
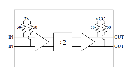
14GHz Divide-by-2 DV002
14GHz Divide-by-2 DV002分頻比:2掛鐘頻點:14 GHz特征描述:低電量顯示
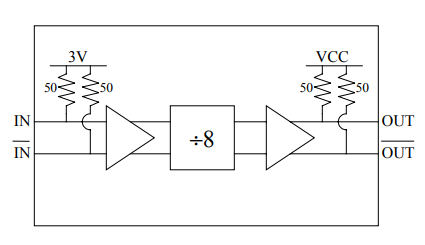
14GHz Divide-by-8 DV008
14GHz Divide-by-8 DV008分頻比:8鬧鐘頻次:14 GHz特征:低電量
特征:低電量
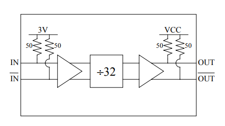
14GHz Divide-by-32 DV032
14GHz Divide-by-32 DV032分頻比:32秒表平率:14 GHz特征描述:低充電電流
12GHz Dual-Modulus Divide-by-4/5 DV45D
12GHz Dual-Modulus Divide-by-4/5 DV45D分頻比:4/5數字時鐘工作頻率:12 GHz本質特征:雙模量4/5
10GHz Programmable Divide-by-2 to 31 DV31P
10GHz Programmable Divide-by-2 to 31 DV31P分頻比:2?31掛鐘頻帶寬度:10 GHz特征英文:可代碼變位系數2?31
8GHz Programmable Divide-by-128 to 255 DV255N
8GHz Programmable Divide-by-128 to 255 DV255N分頻比:128?255掛鐘規律:8 GHz表現形式:智能控制學習法向齒128?255
共2頁40條數據