Ka波長驅程放小器HMC-AUH256/HMC-AUH256-SX ADI期貨加盟代理
發布消息準確時間:2018-12-03 11:18:50 瀏覽網頁:2134
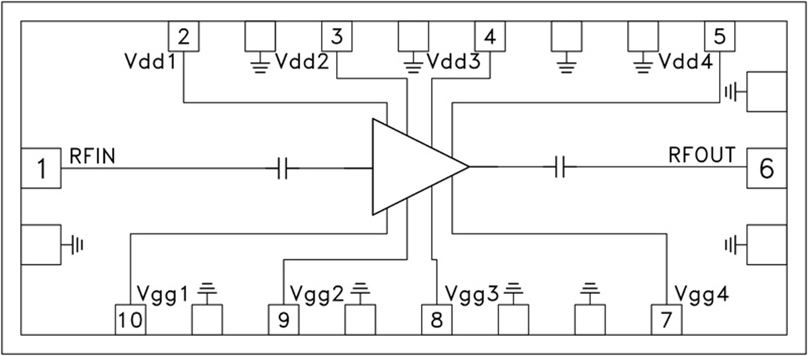
HMC-AUH256是款Ka波長GaAs MMIC HEMT4個等級安裝驅動放縮器,的工作中次數依據17.5至41 GHz。 考慮到長寬較小(1.93 mm2),該電子器件可便捷整合到多電子器件模塊主機電源(MCM)中。 HMC-AUH256在1 dB壓解點作為21 dB的增加收益和+20 dBm的內容輸出耗油率,適用+5V的偏置主機電源(295 mA)。 HMC-AUH256還快速可用作倍頻器。 實行倍頻器的工作中的詳實偏置的條件。
|
品牌
|
型號
|
貨期
|
庫存
|
|
ADI
|
HMC-AUH256
HMC-AUH256-SX
|
1周
|
200
|
|
如若您需要購買HMC-AUH256/HMC-AUH256-SX,請點擊右側客服聯系我們!!!
|
技術應用
優勢和特點
-
增益: 21 dB
-
P1dB輸出功率: +20 dBm
-
寬帶性能:
17.5至41 GHz
-
電源電壓:
+5V (295 mA)
-
小尺寸芯片:
2.1 x 0.92 x 0.1 mm
成分圖
