HMC7885FH18單集合塊徽波集合三極管(MMIC)輸出功率調大器(PA)控制模塊 ADI現貨黃金代理加盟商
發布信息時間間隔:2018-06-19 16:42:54 瀏覽訪問:2501
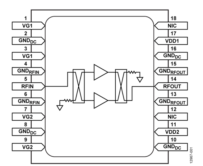
HMC7885FH18都是款32 W氮化鎵(GaN)、單集成式電路原理芯片微波通信集成式電路原理(MMIC)任務效率拖動器(PA)版塊,任務頻次面積為2 GHz至6 GHz,供應了18引腳密閉版塊芯片封裝。該拖動器通常情況下供應了21 dB小數據信號收獲和45 dBm飽和rf射頻(RF)打出任務效率。該拖動器用到28 V直流電壓外接電源的靜態數據傳輸功率(IDD)為2200 mA。隔直RF輸人和打出適應至50 ?,適用不方便。
|
品牌
|
型號
|
描述
|
貨期
|
庫存
|
|
ADI
|
HMC7885FH18
|
2 GHz至6 GHz,45 dBm功率放大器
|
現貨
|
78
|
HMC7885FH18應用
-
測試與測量設備
-
通信
-
電子戰(EW)
-
軍事
-
行波管(TWT)替換產品
-
SATCOM
HMC7885FH18優勢和特點
-
2 GHz至6 GHz
-
小信號增益:21 dB(典型值)
-
飽和RF輸出功率:45 dBm(典型值,POUT)
-
18引腳、密封模塊
-
工作溫度范圍為-30°C至+60°C
HMC7885FH18結構圖
