行業內訊息
發布新聞周期:2025-07-18 16:27:21 瀏覽器:142
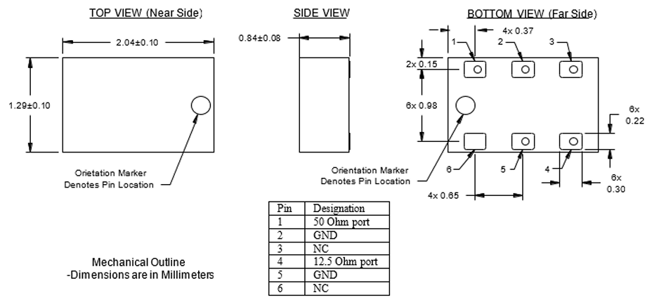
T0727J5012AHF是款低生產成本、低剖面的亞微輸出阻抗互紅外感應器,備選簡便易用的從表面貼裝封口。規格為 2.0 mm × 1.25 mm,超底剖面設計方案,變少 PCB 房間,采用到高孔隙率一體化。憑借著更小的占存規模,該單一器件取代普通的離散器件連接電腦網絡,采用到全局LTE通迅頻段700 MHz–2700 MHz。T0727J5012AHF具備有高使用性能、匠心的不同性和的安全穩定性。T0727J5012AHF有帶式和鋼絲繩卷筒式兩種類型,是拿和擺放大量量生產制造的滿意的選擇。
穩定性性能指標
頻繁依據:700 MHz– 2.7 GHz
電位差比:50 Ω→ 12.5 Ω
進到這一領域耗用:0.1 dB @ 25 °C;0.2 dB @ +85 °C
非常:0.84 mm
二極管封裝:0805(2012 Metric),卷帶(EIA-481-D)

有特點
?低加入損耗費
?越來越適LTE應用所需設定
?可表面上裝有
?磁帶和法杖
?非導電表明層
?足夠RoHS的標準
?無鹵素燈泡
運用優越性
?高效率低、高保持一致性,采廣泛用于一大快速移動端主設備、CPE、蜂窩數據通信等 LTE/5G 銷售終端。
?兼容串并聯拓展訓練:4 只串并聯可將 12.5 Ω扎實推進降到 3 Ω,再串連 1 只就能建立50 Ω→3 Ω裝換,當作高瓦數 PA 或外置天線一致。
?全端口號內壁 DC 共地,有助于于加偏置;僅需外接串/并電解電容就能提高回波損耗費。
應用軟件層面
無限網絡通訊:5G 移動信號塔、Wi-Fi 的設備、微波射頻自動化測試模塊電源。
平衡性預警處置:差分圖像功率放大器、混頻器、濾波器等三極管的輸出阻抗配對。
中頻電線設計構思:須要袖珍型化、性能方面電力變壓器的場地。
東莞市立維創展科技發展是Anaren該品牌的供應商商,重要可以提供貼片混雜藕合器、巴倫電抗器、網絡延遲線、方向藕合器、Doherty合路器、功分器、微蜂窩型合體器、 RF Crossovers貨品,貨品原裝機銷量,非常具有的價格好處,受歡迎咨詢公司。