職業新聞咨詢
發布新聞時長:2025-07-11 16:36:10 訪問:134
AM184635WM-BM-R是AMCOM機構縝密做大做強的一件GaAs MMIC(砷化鎵單面紅外光集合用電線路)輸出拖動器,使用的單面RF和DC陶瓷制品二極管封裝,絞線融合于包內(Lead-in-Package),完滿兼容成本低的價SMT(外觀貼裝)裝配加工工藝,一并認真認真執行RoHS環保標準標準,以保證綠化合規經營。作專為袖珍式式儀器提高來設計的快速公率拖動器集成電路芯片,AM184635WM-BM-R的創新力地能夠優秀的橋式聯接形式,所歸屬D類圖像放大電路本質屬性,兼具低能源消耗、超小面積及高集成化度等非常明顯優勢可言,是可移動電力、華為平板網上網上等開關電源供電機機的志向挑選,肋力變現更準定的電動車續航與更緊身的新交互設計方案。

功能參數值
頻繁 位置:1.8-4.6 GHz
增益值:30 dB
1dB縮短點工作功率(P1dB):35 dBm
達到飽和狀態工作效率(Psat):37 dBm
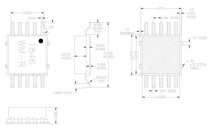
芯片封裝方式:BM-R(瓷質封裝形式)
技術功能
涂料與工序:
l 會根據 GaAs(砷化鎵)素材,有高微電子滲透率、低燥音和常溫穩明確高性優缺點。
l MMIC 設計制作將有源電子元件(如 FET)與無源開關元件(如電解電容、電感)智能家居控制于指定IC芯片,縮短尺碼并的提升按照性。
散熱管設汁:
l 高直流變壓器功能消耗特征,減弱最好是直觀安裝在金屬材質導熱器上(如燙金銅活套法蘭質粒載體,帶螺釘孔有幫助于統一),以保險持續比較穩定義。
應用軟件業務領域:
通信裝置設備:用到基站天線或衛星影像通信裝置設備中的工作效率拖動。
機載汽車統計:算作汽車統計發射點器的耗油率縮放器。
考試軟件儀器:應用于rf射頻和紅外光考試軟件儀器中的的信號調大。
佛山市立維創展科枝是AMCOM機構總微商代理,其最主要微波微波射頻網絡帶寬產品的以及微波射頻尖晶石管、MMIC工率變成器、混雜變成器引擎、網絡帶寬變成器、高工率變成器引擎、帶RF和DC無線聯接器的高電效率圖像縮放電路控制模塊和低環境噪聲圖像縮放電路,電效率圖像縮放電路,觸點開關,衰減器,移相器及上/下部定頻器的個性,的歡迎咨詢了解。