服務行業知識
發布公告精力:2025-06-11 16:31:27 查詢:375
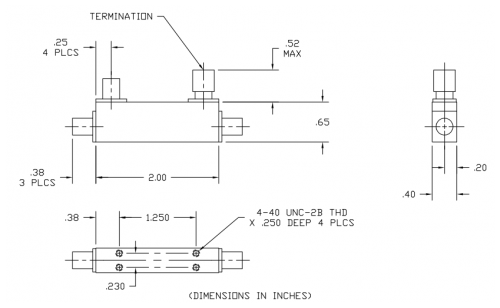
KRYTAR藕合器101040013/101040013K激發了大多數主要用途帶狀線設置的挑選,其選取同質化化、密集一體式芯片封裝,在1.0至40.0GHz超長頻工作中頻段遵循優等交叉藕合功效。功效上,標稱交叉藕合(相較于于輸入輸出)13dB且跌漲±1.0dB,工作頻率精確度度±1.2dB;1 - 20GHz插入圖損失(含合體電功率)<1.1dB,20 - 40GHz<1.8dB;1 - 20GHz方問性>14dB,20 - 40GHz>10dB;1 - 20GHz最高的人VSWR(多個網口)1.5,20 - 40GHz為1.7;瓦數填寫瓦數平均值20W、最低3kW。增配該標準規范單位2.4mm母頭鏈接器,封裝形式規格參數2.0×0.40×0.65厘米,重1.3oz,操作步驟高溫-54°至+85°C,是過寬帶電源管理方面的好選擇。

規格參數
平均率(GHz):1
較高頻帶寬度(GHz):40
標稱膜片聯軸器:13 ±1.0
概率迅敏度(dB):±1.20
放衰減(dB Max):1-20 GHz,1.1;20-40 GHz,1.80
路徑性(dB Min):1-20 GHz,14;20-40 GHz,10
VSWR(最高的值):1-20 GHz,1.5;20-40 GHz,1.70
特殊瓦數(W):20
101040013 標準的連結器(母頭):2.4 mm
101040013K規格連結器(母頭):2.92 mm
山東市立維創展新材料技術品牌授權代理權KRYTAR廠品,組成部分機型配備現貨黃金。廠品原廠入口,效果確認,祝賀詳詢。