制造行業咨詢
發布信息日期:2025-06-05 16:46:19 挑選:304
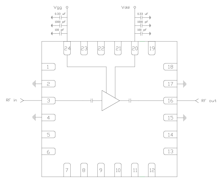
CMD229P4就是款由Custom MMIC產生的寬帶網絡砷化鎵(GaAs)片式微波射頻模塊化電路系統(MMIC)低噪音風機污染變小器(LNA),專為頻射(RF)使用設計制作,享有市場大的的躁聲能和增加收益性狀。CMD229P4主要采用無引腳 4x4 mm pp塑料表層貼裝(SMT)裝封。要借助其優良的耐熱性和不同規格的中實用化二極管封裝,已成為軍用、航天科技及高級光纖通信應用的完美進行。
水平規格
頻次超范圍:5 GHz 至 11 GHz(C 光波和 X 中波段)。
收獲:26 dB。
嗓聲彈性系數:1.5 dB。
轉換 1 dB 進行壓縮點(P1dB):+13 dBm。
三階交調截點(OIP3):24 dBm。
飽合的輸出瓦數(Psat):約 +15 dBm。
任務輸出功率:3 V 至 5 V。
事情感應電流:45 mA。
封裝多種類型:4x4 mm 塑膠 QFN 封裝。
輸出阻抗適配:50 歐姆切換設定,不能自己其他交流電賭塞和rf射頻端口號切換

軟件場境
l 美國軍事與航天科技:適用電商戰(EW)、C股票波段統計、X中波段汽車雷達等,充分滿足高可信性、低低頻噪音實際需求。
l 小行星通訊技術:采用做空間區域通訊衛星網絡通信裝置,大力支持低頻段4g信號互傳。
l 自測與量測:使用高頻率測試圖片裝置,抓好信號燈測定的最準性。
l 相控陣裝置:用作相控陣聲納或網絡通信平臺的最為關鍵的配置文件,能提供高增加收益、低嗓聲的網絡信號變小。
Custom MMIC推出于2006年,是家無晶圓微波通信射頻和微波通信MMIC來設計平臺,CUSTOM MMIC有所幫助企業安全使用一類型中好的MMIC提升移動用戶的頻射無線信號鏈。CUSTOM MMIC是詳盡的ISO注冊設汁師和之類型建議MMICs產生商。CUSTOM MMIC提供數據持繼增速的高功效頻射/微波加熱MMIC產品的線。
QORVO用于美出名的微波射頻與mm波更優打造商,為全世間用戶數提供了最高的尺寸的GaN和GaAs貨品,Qorvo在2020年實現Custom MMIC購置。
廣州市立維創展技術有現裝修公司授權書加盟代理推銷Custom MMIC產品的線,如無的需求追捧咨詢公司我們公司!!!