相關行業介紹
發布了準確時間:2025-04-28 16:35:21 搜素:437
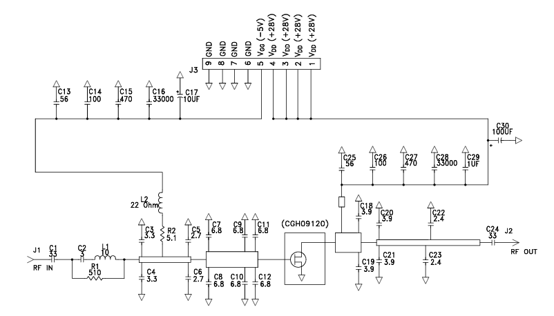
CGH09120F是款由 Wolfspeed(原CREE科銳)公司生產制造的高電子設備滲透率氯化鈉晶體管(HEMT),運用氮化鎵(GaN)技巧,具備質量高率、高增益值和聯通寬帶能力素質,大力支持寬帶網絡信息治療,十分適當要有情況頻次的調整的操作系統。

包括性
規律規模:UHF 至 2.5 GHz。
工作電壓打印輸出:120 瓦。
增益控制:21 聲音頻率。
工作中電壓值:28 V。
封裝類型行駛:陶瓷廠家/金屬件法蘭片封裝。
的效率:在 20 W PAVE 時長率是 35%。
APP好處:可以支持超高數子預模糊(DPD)效準。
技木評測與競爭優勢
性能參數 | CGH09120F | 硅基LDMOS | 注 |
頻繁 累計 | 2.5 GHz | 往往<1 GHz | GaN在中頻下效果挺高 |
熱效率密度計算 | 4.3 W/mm2 | 約1 W/mm2 | 可以緊密型的設計 |
使用率(PAVE) | 35% | 20%~25% | 為顯著減少裝置功能損耗 |
熱導率 | 1.2°C/W | 2.5°C/W | 可薦的散熱性能學習能力 |
應用領域
無線路由微波通信信號塔
是 LTE、WCDMA 或 MC-GSM 通信移動信號塔耗油率增加器的目標元器件封裝,提供了高轉化率的率、高線形的rf射頻數據信號增加,減少通信移動信號塔能效與運營推廣成本投入。
廣泛用于于多載波配位聚合(CA)場景中,憑借 DPD 新技術提拔多載波數字信號的波形度。
預警雷達與光電子戰系統
在預警雷達導彈機中進行光纖寬帶表現的高效化放縮,不支持拿高糞便率顯像與工作目標發現。
支持于電子設備戰中的串擾機,經過高電機功率、移動寬帶寬性能指標體現管用的走勢抵抗。
遙感衛星通信技術與微波射頻傳回
在 Ka 頻段或 Ku 頻段定位網絡通信末端中,算作公率調小電子元件,供應穩固的電磁波增加收益與輸入公率。
使用于于紅外光視頻傳輸路由協議,能夠長相應、高存儲空間的數據統計視頻傳輸。
武漢市市立維創展科學是CREE的銷售商,CREE我司產品設備包擴:LED處理器、燈具LED、背光LED、供電旋轉開關器、頻射裝備用LED和有線電生產設備。中鐵二院要借助其良好的批發商流通渠道,有著暫時的存貨以滿足需要華人領域的供需。歡迎圖片顧問。