業資訊新聞
發布新聞用時:2025-04-21 16:58:16 搜素:374
ALN4250-12-3535毫米(mm)波低噪音污染增加器(LNA)是WENTEQ企業在毫米左右波通信設備方向的很重要物品,寬泛利用于5G/6G數據通信體系、衛星影像數據通信體系、統計體系等高頻情境。ALN4250-12-3535利用先進性的光電器件方法(如GaAs、GaN)和精致細密用電線路裝修設計,嘈音標準值低至0.5dB,有效的抑制作用體系嘈音,增強數據信息清淅度。WENTEQ Microwave的厘米波低燥聲增加器借助于其工藝強勢、高端定制化意識和成本費用社會效益,在世界股票市場涌入主要話語權。
特殊性:
從40.0到45.0GHz的低噪音、高收獲工作
低VSWR,無要求安穩
容積小,代價低
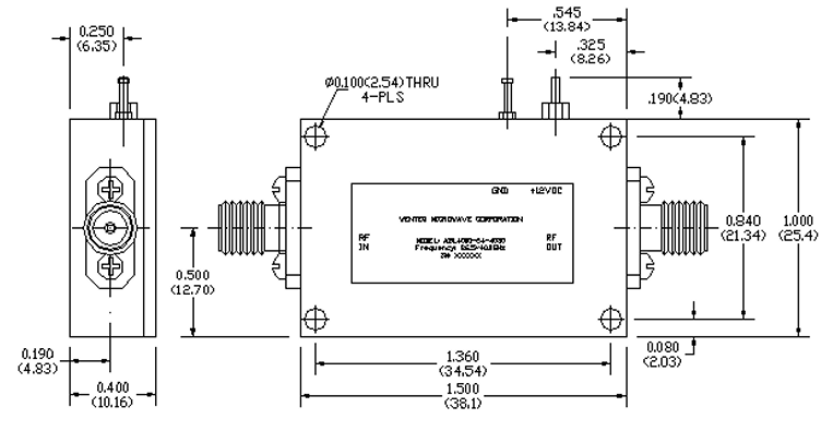
2.4mm女人的進行防水連接器放入/打出
是需要單直流變壓器電,自帶輸出功率調理器
工作中溫度因素-40~+75°C,存放濕度-55~+85°C
山東市立維創展新材料技術是WENTEQ的加盟商商,核心供給WENTEQ食品涵蓋方形器、消毒器、電流設備等,食品原裝到口進口商,產品質量有保障,成本優勢可言,熱烈歡迎了解和咨詢。

Parameters | Specifications | |||
Minimum | Typical | Maximum | ||
Frequency Range | GHz | 40.0 | 45.0 | |
Nominal Gain @25°C base plate temperature | dB | 31.0 | 35.0 | 38.0 |
Noise Figure | dB | 3.5 | 4.5 | |
P-1dB Compression Point | dBm | 15.0 | 16.0 | |
Output IP3 | dBm | 23.0 | 25.0 | |
Gain flatness | dB | +/-1.0 | +/-1.5 | |
Gain Variation over Temperature Range | dB | +/-1.5 | ||
Reverse Isolation | dB | 45.0 | ||
Input VSWR | - | 2.0:1 | 3.0:1 | |
Output VSWR | - | 2.0:1 | 3.0:1 | |
Spurious | dBc | 60.0 | ||
Operating Temperature | °C | -40.0 | +75.0 | |
Survival Temperature | °C | -45.0 | +85.0 | |
DC Power Supply Voltage | V | +12.0 | ||
DC Power Supply Current | mA | 250.0 | 300.0 | |
RF In/Out connectors | 2.4mm-Female | |||
DC Input Connector | Feedthru Pin | |||
Size | inches | |||