產業新聞資訊
發布新聞事件:2025-03-19 15:38:20 閱覽:407
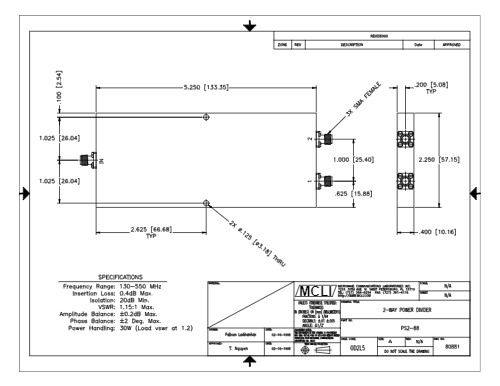
PS2-88瓦數合理安排器是MCLI企業還推出的五款高的性能微波通信射頻微波通信電子器件,是指PS2型號2路電功率劃分器。PS2-88耗油率配資器是款高使用性能的微波射頻訊號配資主設備,實在WiFi、5G等低頻通迅測評動畫場景。其寬頻段、低插損和高屏蔽度的的特點使其在頻射測評中呈現優良。
產品參數
分類:2-Way Power Divider-Stripline
分拆品類:交叉
PS2-88接器:SMA 模塊
PS2-88/NF連入器:N 插孔
超小平率範圍 (GHz):0.13
最主要頻次使用范圍 (GHz):0.55
加入損耗率 (dB):0.4
隔離霜 (dB):20
VSWR 復制粘貼:1.15:1
VSWR 輸出:1.15:1
波幅動平衡機:0.2
相位平衡點:2
電功率動平衡 (W):30

新產品資源優勢
高消毒度:保證 手機信號調整時的打擾世界最大化。
低插損:縮短手機信號接入中的精力虧損。
寬頻段大力支持:擴大2-8 GHz,適宜于多個通信系統頻段。
機械性能信性:外層用烤漆施工工藝施工工藝,耐腐燭、耐磨性。
采用動畫場景
紅外光射頻紅外光機系統
數據通信信號塔:采用手機信號分路與轉化成,推廣同軸電纜饋農電絡。
統計設計:算作收發的時候最前端的最為關鍵的器材,確定/鑲嵌高頻信息。
測驗機械設備:在矢量素材微信網絡剖析儀、的網絡信號源中對于的網絡信號重新分配控制器。
工藝與攻沙區域
工業制造調節器器:使用在低頻訊號發送與都分配好,增強軟件能信性。
軍用裝備通信網:在抗騷擾、高防護度符合要求的景象中充分利用關鍵點功能。
佛山市立維創展科技信息有效平臺權限進口代理銷售量MCLI服務,MCLI而使迅猛效率高的施工工藝和鋼筋取樣料庫存量優勢可言,可實現目標迅猛生產加工和加工。MCLI適合ISO 9001:2000實名認證的標準,并依據了MIL-I-45208和MIL-Q-9858A身份認證。青睞服務咨詢。