該行業報告新聞
頒布精力:2025-03-13 16:00:54 看:452
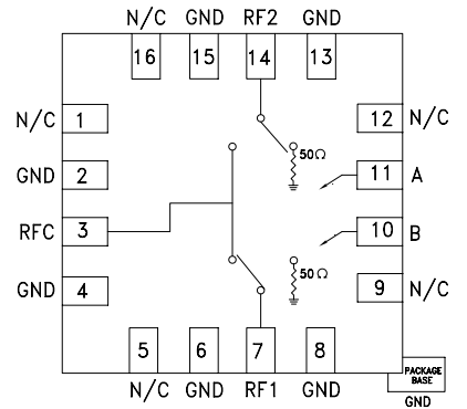
HMC347ALP3E是Analog Devices(ADI)集團公司盡心開發的十款網絡帶寬、高隔開度的非反射面型GaAs pHEMT SPDT(單刀雙擲)面板開關。HMC347ALP3E故有睿智的高壓電器能、優秀的關閉效能建設、寬度的可信性、抗用性或高能行為 ,在眾所低頻應該用解決方法中實現自我價值。其聯通寬帶性能、高消毒度和很低的導入耗費,會讓HMC347ALP3E成為微波通信射頻和微波通信軟件中不能或缺的甄選配件。
常見性能
次數位置:DC 至 14 GHz,可比較適用于于光纖寬帶應用領域。
高防曬隔離霜度:>54 dB @ 3 GHz;>44 dB @ 10 GHz。
低加上衰減:1.8 dB @ 10 GHz,保障數據信號無線傳輸的提高效率性。
非反射層層制定:減輕信息反射層層,提供模式能。
裝封:通過 3x3 mm QFN 表貼芯片封裝,滿足密度高計算公式 PCB 裝修設計。

高壓電器的特點
設定的電壓:用到 -5/0V 的互替負控住線電壓原理,不用辦理木制托盤偏置外接電源。
工作上工作電流:低至 DC,工作頻率過低。
軟件區域
移動通信基站依據的設施:使用在信息設置和路由。
網絡光纖和移動寬帶電信網絡:支技高頻警報工作。
紅外光無線wifi電和 VSAT:適于于北斗衛星通信網絡和微波通信文件傳輸。
警用無線數字電、雷達探測和ECM:足夠高可靠的性和性能模式方面消費需求。
試驗機器設備多功能儀表:在中頻試驗和檢測。
廣州 市立維創展社會是ADI的代銷商,最主要具備拖動器、線性網絡護膚品、數據資料換為器、音頻圖片護膚品、寬帶網護膚品、鐘表和訂時IC、電信光纖傳輸網絡車輛、端口和距離、MEMS和感知器、電源適配器和熱經管、外理器和DSP、頻射和原型治療器、按鈕和重新分配器等,物品原廠現貨黃金,的價格競爭優勢,誠邀資訊。