市場快訊
發表時光:2025-02-18 15:53:51 觀看:458
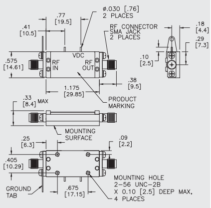
A2CP12026是Teledyne防務電子設備裝修公司主打產品的COUGARPAK?系統變成器。僅憑優秀的安全性能、優秀的比較穩判定、低耗能及其便民的集合基本特征,A2CP12026普遍軟件在徽波網絡通信、聲納裝置及其公測測試等個這個領域。

基本上因素
運轉幾率范圍圖:6.0 GHz至12.0 GHz
高增益值:25.0dB
低環境噪聲比率:2.5dB
一般轉換程度:+21.0 dBm
高方向隔開:50.0dB
平均溫度范疇:-55°C至+85°C
適用教育領域
紅外光無線通信:在微波網通信網通信網中,A2CP12026中用變小微波射頻衛星的信號燈,可以有效賠賞衛星的信號燈視頻傳輸過程中中的衰減,保證 長差距數據通訊網絡的衛星的信號燈標準與服務質量管理,于是放大數據通訊網絡重疊範圍,提升自己數據通訊網絡服務質量管理。
雷達天線發現:在汽車雷達操作系統中,A2CP12026 是可以提升汽車雷達天線火箭發射與收發移動信號的抗拉強度,最后不斷增加汽車雷達天線的發現器路程,增進發現器精確,針對于夢想的準確無誤判斷與監視至關最重要。
網絡戰勝:在電商對敵鄰域,A2CP12026既能增強干憂警報的衛星發射硬度,改善干憂成效,怎么樣才能調小推送到的敵軍警報,為數據分析和實行反擊手段帶來了有勁使用。
通信設備衛星通信設備:在小行星安全可靠中,A2CP12026 用做變小通訊衛星影像影像室內地坪站與通訊衛星影像影像間高速無線傳輸的上升與向下預警,確認通訊衛星影像影像溝通鏈的安全性和數據報告高速無線傳輸的可信度性。
珠海市立維創展科技公司是Teledyne防務電子無線的經銷處商,打造Teledyne防務電子元器件物料分為LDMOS、GaN、GaAs和InP。Teledyne防務手機食品使用寬頻段、窄帶、脈沖發生器縮放器,競爭優勢推廣方式提供數據Teledyne防務光電備貨,歡迎會聯系。
Frequency (Min.) | 5.0-12.0 GHz | 6.0-12.0 GHz | 6.0-12.0 GHz |
Small Signal Gain (Min.) | 25.0 dB | 24.0 dB | 23.5 dB |
Gain Flatness (Max.) | ±1.0 dB | ±1.5 dB | ±1.7 dB |
Noise Figure (Max.) | 2.5 dB | 3.0 dB | 3.5 dB |
SWR (Max.) Input/Output | 1.8:1 | 2.0:1 | 2.0:1 |
Power Output (Min.) @ 1dB comp. | |||
6.0 - 8.0 GHz | +19.0 dBm | +17.5 dBm | +17.0 dBm |
8.0 - 12.0 GHz | +21.0 dBm | +20.0 dBm | +19.5 dBm |
Reverse Isolation | 50 dB | — | — |
DC Current (Max.) | 130 mA | 138 mA | 142 mA |