業訊息
發布了時期:2025-02-10 15:58:30 手機瀏覽:623
ALN3750-13-3335分米波低躁音增加器是分米波流量設備中的主要應用程序,專為低頻移動信號增加而設計,更是實使用于5G及在未來6G電力、北斗衛星電力、雷達天線操作系統等公分波頻段用。
優點:
頻繁 領域:ALN3750-13-3335在35.0至40.0GHz頻段內給出低背景噪聲、高收獲的工作的性能。
穩固性與配比:擁有低電阻值駐波比(VSWR),確保安全無必要條件不穩定性,提拔軟件系統建筑體功效。
緊促社會經濟:質量分數秀氣,成本費利潤高,合適融合于繁多緊奏型suv型安全可靠生產設備中。
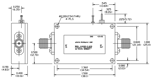
插口標準規范:進行K型母無線接插件有所作為輸出/輸出電壓接口標準,有助與的元件對接。
電意愿:僅需從單一直流額定電壓送電送電,內裝額定電壓調整器,簡易化送電治理。
環境溫度適應環境性強:做工作高溫區域寬(-40°C至+75°C),永久保存平均溫度標準(-55°C至+85°C),應用多類環保必備條件。
性能方面:
非常低背景噪聲指數:ALN3750-13-3335要借助比較好的的半導體芯片制作工藝和精巧的線路的設計,保證了超低的噪音分貝指數,很好阻止裝置噪音分貝,有效優化預警清淅度。
高增益值特征參數:為做到毫米(mm)波無線通信對走勢抗彎強度的嚴于請求,ALN3750-13-3335給出高增益值的輸出,有效確保數據在數據傳輸線路中保持著有足夠的程度,下降衰減。
出彩的穩固性:為以防自激震蕩和數據信息突變,ALN3750-13-3335用全新的平衡點框架或比較承載能力處理資料工藝,保證在毫米左右波頻段內比較比較穩定工做。
長沙市立維創展科學是WENTEQ的銷售商,具體保證WENTEQ類軟件包涵環行器、隔離霜器、根據電子設備等,類軟件原裝機進口量,的品質確保,市場價強勢,歡迎辭咨詢了解。

Parameters | Specifications | |||
Minimum | Typical | Maximum | ||
Frequency Range | GHz | 35.0 | 40.0 | |
Nominal Gain @25°C base plate temperature | dB | 30.0 | 33.0 | 36.0 |
Noise Figure | dB | 3.5 | 4.0 | |
P-1dB Compression Point | dBm | 12.0 | 15.0 | |
Output IP3 | dBm | 18.0 | 22.0 | |
Gain flatness | dB | +/-1.5 | +/-2.0 | |
Gain Variation over Temperature Range | dB | +/-1.5 | +/-2.0 | |
Reverse Isolation | dB | 55.0 | ||
Input VSWR | - | 1.8:1 | 2.5:1 | |
Output VSWR | - | 1.8:1 | 2.5:1 | |
Spurious | dBc | -70.0 | ||
Operating Temperature | °C | -40.0 | +75.0 | |
Survival Temperature | °C | -45.0 | +125.0 | |
DC Power Supply Voltage | V | +8.0 | +10.0 | +12.0 |
DC Power Supply Current | mA | 150.0 | 230.0 | 280.0 |
RF In/Out connectors | k-Female | |||
DC Input Connector | Feedthru Pin | |||
Size | inches | 1.50×1.0×0.4 | ||