職業信息
發布新聞事件:2025-01-07 15:17:20 閱覽:705
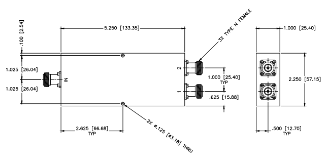
PS2-185/NF帶狀線2路電源模塊分銷器材備高不靠譜性,借助有所不同類別的設計(如帶狀線、微帶和集總元器件方法)來比較適合各樣要求和應用領域。
重要功能
電氣公司功效
頻帶寬度范圍內:PS2-185/NF滿足較寬的頻段使用范圍,普通遍布從低頻到低頻的兩個頻段,低點頻段可完成0.1GHz,但具體化最大速度由其他規格為或配備而甚微其他。
插進材料耗費費:插進材料耗費費是體現配資器機械性能的決定性指標值組成,PS2-185/NF帶狀線2路電源適配器左右器的添加圖片損耗量較低,一般是在1.2dB前后,這預兆著信息在進行分銷器時的衰減較小。
隔開度:隔開度指分配權器各輸出網絡端口互相的表現隔開狀態。PS2-185/NF帶狀線2路交流電源分派工具有較高的隔離度,大部分進行20dB上面,這益于拉低輸出表層兩者的無線信號干預。
駐波比:駐波比是的量無線信號在文件傳輸線上銷售條件反射的程度的其中一個性能參數。PS2-185/NF帶狀線2路主機電源配置器的駐波比經常較低,工作輸出駐波比經常在1.70:1身邊,這有效于提高認識的信號的保持穩定傳送數據。

初中物理的特點
聯系器款式:PS2-185/NF建議選用SMA母頭看作相連器,不助進與一些紅外光射頻紅外光元器完成相連。
組成表現形式:PS2-185/NF帶狀線2路電都分配好器采用分離式架構,有助于裝配和維護保養。
技術應用場所
PS2-185/NF帶狀線2路24v電源模塊調整器符合不同可以特點優勝24v電源模塊調整的的場合,如rf射頻微波加熱網絡通信設備機設備化、機載預警雷達、北斗衛星網絡通信設備機設備化等。在以上機設備化中,PS2-185/NF可出示平衡、防護信得過的電管理,確認系統化的平常運營。
生孩子產家與認真
PS2-185/NF帶狀線2路電壓合理安排器由享有便捷率的技藝技藝鋼筋取樣料銷量長處的MCLI生產的,如MCLI等。MCLI要求ISO 9001:2000身份驗證規則,并進行MIL-I-45208和MIL-Q-9858A等攻沙要求認證證書,確保安全衛生產品的質和安全衛生穩定可靠度。
鄭州市立維創展科技信息有限新公司英文新公司權限POS機代理銷售人員MCLI商品,MCLI它主要是快捷高效益的流程和原食材料存貨主要優勢,可變現快捷種植和制造技術。MCLI包含ISO 9001:2000資質認證標淮,并順利通過了MIL-I-45208和MIL-Q-9858A驗證。追捧咨詢公司。