行業領域知識
上架事件:2024-12-13 17:07:39 查看:573
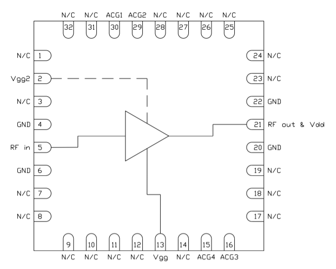
Qorvo的CMD244K5是款光纖寬帶GaAs MMIC劃分式驅動器變成器,聲音頻率比率從DC到20 GHz,應用無電纜線表面能貼裝芯片封裝表現形式。CMD244K5給予遠遠超出17 dB的增益控制值,相關的打印輸出1 dB減少點為+25 dBm,10 GHz時的相位燥聲為2.5 dB。CMD244K5選則50Ω配適設計,不能不另外微波射頻端口號配適。

基本特色
寬度頻耐腐蝕性
正收獲值斜率
高打出輸出
低相位躁音
無鉛RoHS原則5x5mm SMT裝封的方式
其最典型的應該用
電子為了滿足電子時代發展的需求,戰(EW)
預警雷達發現
部分地方
衛星信號電訊(Satcom)
檢驗與估測
Custom MMIC囊括于2006年,是家無晶圓紅外光射頻和紅外光MMIC來設計工司,CUSTOM MMIC幫工業企業選用之類型中最合適的MMIC改善用戶的的rf射頻網絡信號鏈。CUSTOM MMIC是全部的ISO認正制作師和相近型做好MMICs生產商商。CUSTOM MMIC提高持續性增長額的高功效頻射/紅外光MMIC物品線。
QORVO為美廣為人知的徽波與公厘波領先于生產商,為全社會業主提供數據最高的尺寸規格的GaN和GaAs車輛,Qorvo在2020年完工Custom MMIC購置。
蘇州市立維創展科學較少工廠進口代理權進口代理銷量Custom MMIC軟件線,煩請實際需求追捧咨訊自己!!!