領域知識
發布消息時:2024-12-04 17:07:06 觀看:682
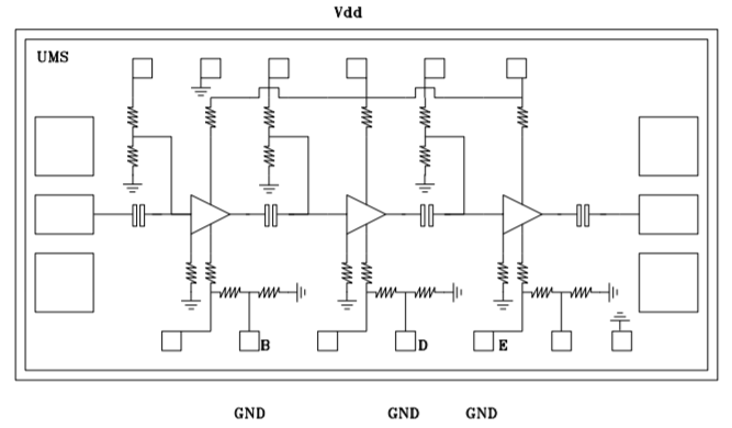
CHA2090-99F是款三階段自偏置帶寬單面低噪音分貝擴大器。
CHA2090-99F適用標準的的0.25μm柵極的尺寸pHEMT工藝工藝工藝,選擇基本的材質材料上的孔、空氣質量橋和電子新技術束柵神行者刻工藝。
CHA2090-99F以電子器件的方式出示。
最主要特性
聯通寬帶性能指標17-24GHz
2.0dB相位噪聲源
23dB增益控制,±1dB增益值整潔度
低直流變壓器用途損耗量,55mA
封裝類型的尺寸:2.17 x 1.27 x 0.1mm
東莞 市立維創展網絡比較有限總部認證經售UMS微波加熱,爭對位置類型的UMS品牌提供了高質的現貨平臺品牌存貨,歡迎圖片在線咨詢。

| Reference | RF Bandwidth (GHz) | Gain | Gain Flatness | Noise Figure | P-1dB OUT | Bias | Bias | Case | |
| min | max | ||||||||
| CHA2090-99F | 17 | 24 | 23 | 1 | 2 | -10 | 55 | 4.5 | Die |