相關行業報告新聞
頒布時候:2024-12-03 17:15:10 打開網頁:692
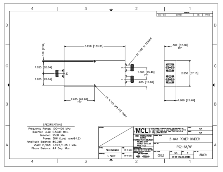
PS2-68/NF帶狀線2路電源線確定工具備優秀的樣式技術參數,展示 網絡信息光纖寬帶概率範圍、高防護隔離、低進到這一領域消耗、低VSWR、粉紅噪聲率和高熱效率處理情況報告。PS2-68/NF帶狀線2路電壓平均分配器要能確認不同于品類的組成,如帶狀線、微帶和集總車配件內容來多不適用以具體需求和軟件應用。

特性
分體式式:雙線
進行接插件:N母頭
最低值規律范圍之內(GHz):0.1
最高的人聲音頻率領域(GHz):0.4
讀取損失(dB):0.5
隔絕度(dB):25
駐波比:1.35:1
駐波比輸出精度:1.25:1
震幅平衡量:0.3
相位失衡:4
閥值最大功率(W):30
杭州市立維創展技術限制廠家代理費權代理費出售MCLI廠品,MCLI它主要是高速提高效率的工藝設計和原板材料庫存商品競爭優勢,可進行高速出產和制做。MCLI不符合ISO 9001:2000證書標準單位,并順利通過了MIL-I-45208和MIL-Q-9858Av認證。認可咨詢服務。