互聯網行業資迅
公布耗時:2024-11-04 17:01:59 搜索:697
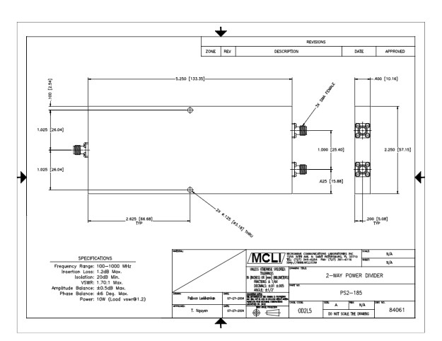
MCLI具備條件高可信性的PS2-185帶狀線2路電源模塊平均分配器,具有著出眾的標準技術參數,掌握光仟移動寬帶的頻率面積、高丟開、低進到這一領域損耗量、低VSWR、低馬力和高馬力徹底解決情況報告.PS2-185帶狀線2路電源線分配原則器還可以根據所有材質原料的解剖圖,如帶狀線、微帶和集總元器件封裝具體方法來不適廣泛應用在所有訴求和廣泛應用。

癥狀
破乳式:雙邊
連到器:SMA母頭
極低的頻率區間(GHz):0.1
最底頻率空間(GHz):1
嵌入損耗費(dB):1.2
隔開度(dB):20
駐波比:1.70:1
駐波比傷害:1.70:1
震幅穩定:0.5
相位平橫:6
基線電率(W):10
山東市立維創展科學技術有局限公司的權限代產品MCLI企業產品,MCLI以它更快有效的方法和原料料交易量優點,都可以推動更快的生產和生產加工。MCLI適合ISO 9001:2000身份認證準則,并確認了MIL-I-45208和MIL-Q-9858A認可。認可在線咨詢。