市場咨訊
披露時光:2024-10-31 17:21:25 搜素:577
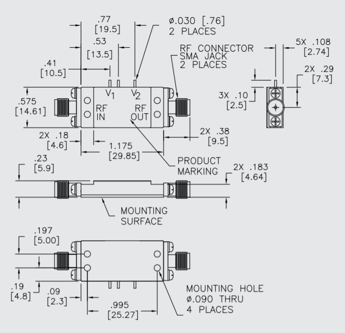
A2CP11039rf射頻調小器不是款對于Teledyne防務光電生產銷售產生的多核方面變成器,應有高至12 dB的增加收益空間和4dB低相位低頻噪音,平率范圍之內從5.0-10.0 GHz。A2CP11039頻射放縮器當做通信技術體系、機載汽車雷達和網絡戰體系等應該精密加工加工增益值管理和提高效率加工處理的APP。

參數表
過寬頻:5.0-10.0 GHz
高增加收益:12.0dB
低相位噪音分貝:4.0dB
高耐磨性聚酰亞胺膜
高工作效率兩極CougarPak?
互調式能
典型示范@25°C A2CP11039
二階諧波截取點+63 dBm
二階雙音獲取點+57 dBm
三階雙音抓取點42 dBm
必然較高額定的值
貯存室溫-65至+150℃
最底金屬外殼溫度因素+125℃
較高電流電阻+14伏
最低間隔rf射頻復制粘貼馬力+20 dBm
復燃室內溫度:125℃
熱導率1(θjc):4.5°C/W
結溫度升降的超過(Tjc):88.4℃
西安市立維創展科持是Teledyne防務電子器材的經售商,給予Teledyne防務網絡企業產品包擴LDMOS、GaN、GaAs和InP。Teledyne防務電子為了滿足電子時代發展的需求,物料使用寬頻帶寬度、窄帶、激光脈沖擴大器,工作頻率1MHz~220GHz,熱效率mW~10kW,優缺點推廣渠道給出Teledyne防務手機備貨,祝賀咨詢了解。