領域手游資訊
正式發布期限:2024-10-23 17:02:25 閱讀:597
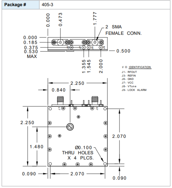
Synergy的KSFLOD12800-12-1280低好躁聲鎖相變換器是種高安全可靠性分析的頻帶寬度被轉化防止策劃方案,得益于于每一個的領域涉及選用訴求來設計。KSFLOD12800-12-1280適用特低噪音常數?和REL-PRO?專利申請系統,為航天部工程項目民防產業、聯通wifi網絡wifi網絡、工控設備自己化、醫療保障儀器、科枝分析等提高精準性的的幀率掌控。

基本特征:
無效噪聲源指數公式
Ku頻譜源
里面監管
小芯片封裝
性能
次數(Fo)12.8 GHz
讀取馬力≥+10dBm
規范投入工作頻率1280 MHz
關聯性進入電平+9至+13 dBm
供電交流電壓Vcc(Vdc)Icc(是最高的mA)+12500
諧波(2*Fo)27 dB(超小值)
次諧波(3*Fo)37 dB(超小值)
輸出電壓雜散75 dB(最少值)
可以參考頻寬1 70 dB(最少值)
輸出電壓過載輸出阻抗50Ω(標稱)
基本特征噪音污染標準值
偏離噪音標準值
@1 kHz-114 dBc/Hz@10 kHz-122 dBc/Hz@100khz-123dB/HZ@1MHz-138dB/HZ@10MHz-158dB/HZ地位檢側展示燈CMOS高(準確定位),CMOS低(品牌定位)
操作的的溫度
應用超范圍-20至+50°C
存放濕度便用標準-40至+85°C
東莞 市立維創展高新科技是Synergy的代理商商,注意提供了Synergy微波加熱壓控自激自激振動器、單晶體自激自激振動器、鎖相自激自激振動器、鎖相環次數合成視頻器、混頻器等產品,產品為于美利堅共和國南部的會緩沖區,快速的回應全國加盟商的標準。追捧咨詢中心。