企業手游資訊
發布的時間段:2024-10-23 16:59:39 瀏覽記錄:589
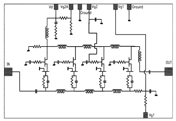
UMS的CHA3023-99F是款用共源共柵FET的導波縮放器。為廣泛運用運用供給設計。
CHA3023-99F應用0.25μm柵極長度的pHEMT工序高技術,按照其橫穿的基板的孔隨和橋,同時以裸片類型具備。

一般特點
光纖寬帶特點:1-18GHz
14dB收獲值
3dB基本特征低相位噪音污染
0.7dB增益控制值光滑度
芯片封裝尺寸:2.15 X 1.42 X 0.10mm
武漢市立維創展技術有限集團公司集團公司軟件授權銷售UMS微波加熱,專門針對一部分機型的UMS的車輛打造創新型的期貨的車輛庫存量,歡迎大家聯系。
AMPLIFIER – MPA| Reference | RF Bandwidth (GHz) | Gain | IP3 | P-1dB OUT | Sat. Output Power | Bias | Bias | Case | |||||||||||
| min | max | ||||||||||||||||||
| CHA3023-99F | 1 | 18 | 14 | - | 17 | - | 95 | 5 | Die | ||||||||||