MAAD-011021-0GPDIE數字6衰減器現貨交易存儲MACOM
發部耗時:2024-10-15 17:37:16 手機瀏覽:695
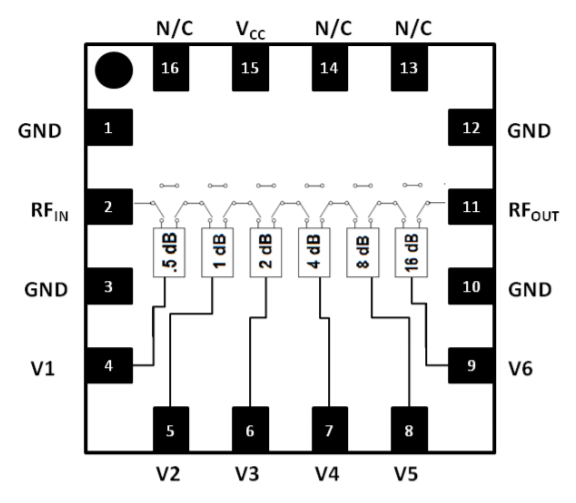
MACOM的MAAD-011021-0GPDIE是款覆蓋DC至30 GHz的寬帶6位數字衰減器。衰減位值為0.5 dB LSB(最低索引值)、1、2、4、8和16 dB,總衰減為31.5 dB。MAAD-011021-0GPDIE衰減偏差通常低于+/-0.5 dB,RMS相位偏移在20 GHz時低于5度,典型插入損耗在15 GHz時為7.2 dB。在大多數頻率和衰減情況下,插入損耗一般為12dB。
MAAD-011021-0GPDIE衰減器集合化屬于變頻式器,鼓勵對串并接/并接衰減確保單一純粹化操縱。變頻式器須要-5V控制開關交流電源(VCC)和17mA的具代表性交流電量,思維模式性為0V/+5V。MAAD-011021-0GPDIE可當為裸片帶來了;

特色6位,0.5 dB LSB,31.5 dB運行範圍低均方根相位4.3°@20 GHz+/-0.5 dB經典次方誤差集合TTL 0/+5V控制DC至30 GHz實用因此操縱與偏壓的ESD護理無鉛3mm 16管腳PQFN打包封裝廠品標準說道:金額衰減器,6位,0.5 dB LSB步幅最少頻繁 (MHz):0最多的頻率(MHz):30000衰減器用到范疇(dB):31.5進到這一領域衰減(dB):6.000六位數:6IIP3(dBm):38封裝形式:3mm PQFN-16LD封裝類型類屬:PVC外觀貼裝新技術ROHS:YES武漢市立維創展網絡許可銷售商MACOM物料線,重要批發商MACOM的可調收獲控制增加器,工作效率增加器,低嘈音增加器,波形增加器,攪拌物增加器,FTTx增加器,分布圖式增加器,增加器收獲控制模塊電源,有源離心分離設備,功分器,倍頻器,攪拌物式混頻器,混頻器,上交流三菱變頻器,數字化化衰減器,數字化化移相器,工作效率檢則器,壓控衰減器等多種類半導體行業。如需購賣MACOM物料,請點選右面客服專員管理咨詢!!!