互聯網行業介紹
披露的時間:2024-08-16 09:15:00 查看:794
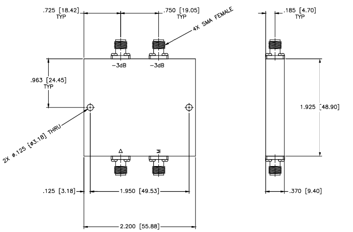
HJ-13混合耦合器是MCLI一款工作在7.2至8.5 GHz頻率范圍的設備,具有以下特點:
- 防護隔離性能指標為16dB,管用縮短警報泄露。 - 的電壓駐波比值1.50:1,表現正常的移動信號篩選。 - 最主要插入表格損耗率為0.6dB,信號燈消耗的能量消耗小。 - 相位平衡性在±4度以里,保證4g數字信號處理的準確的性。 這一款藕合器于于對衛星信號純靜性和不平穩性處理性需要較高的微波通信技術通信技術控制系統。
杭州市立維創展科學技術有限制的集團,授權書地區代理消售MCLI服務,喜愛業主詳詢。