業內介紹
上線時長:2024-08-15 09:08:06 搜索:782
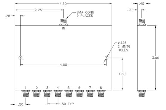
PULSAR功率分配器PS8-02-454/1S是一款高性能的8路SMA功分器,專為0.85至1.7GHz的頻率范圍設計。該設備能夠將輸入信號均勻分配到8個輸出端口,適用于多種無線通信和雷達系統。

主要特點:
頻帶寬度區域:0.85-1.7 GHz 嵌入耗用:主要0.8dB,以保證預警輸送學習速度更快,耗用低。 防護隔離:較小20dB,有效率縮短各輸入輸出串口左右的信號燈串擾。 振動幅度動平衡:更大0.4dB,擔保各打出網絡端口的信號燈密度相一致。 相位穩定:最高5°,確保電磁波相位的相符性。 駐波比:比較大1.30:1,整合移動信號射線,增加體統增強性。 導入熱效率:更大30W,符合于高熱效率用途。 聯接器內型:SMA類型,廣兼容繁多生產設備。 電機負載VSWR:額定的輸人額定功率下高于1.20:1,進每一步增長數據質量。 大小:4.50" x 3.00" x 0.40"
廣州市立維創展科持授權許可地區代理銷售人員PULSAR徽波的產品,并打造售后服務管理鼓勵服務管理,喜歡了解。