職業房產資訊
上線耗時:2024-08-07 08:58:58 查詢:780

EPD-4L-SF功分器是由ELECTRO-PHOTONICS公司生產的一款高性能、寬頻帶的4路功率分配器/組合器。該產品的主要特點和規格如下:
主要特點
領域性: 0° 頻段的范圍: 4.0 GHz到8 GHz 最大化輸出的熱效率: 30W 高能力: 提供數據低嵌入損耗量、高防曬隔離霜度、低駐波比(VSWR)和不錯的范圍及相位穩定性。 緊奏型尺寸圖: 設計的緊奏型,有助于在有局限的地方內安裝和便用。性能規格
| PARAMETER | SPECIFICATION |
| FREQUENCY RANGE | 4.0-8 GHz |
| EXCESS INSERTIONLOSS* | 0.8dB |
| ISOLATION | 18 dB |
| VSWR | 1.3 |
| AMPLITUDE BALANCE | ±0.3 dB |
| PHASE BALANCE | ±3° |
| POWER HANDLING | Forward:30W |
| Reverse:1W |
應用領域
機械規格
| PARAMETER | SPECIFICATION |
| MATING INTERFACE | SMA(F) |
| OPERATINGTEMP | -55 TO+85℃ |
| NON-OPERATINGTEMP | -55 TO+100 ℃ |
| MATERIAL/FINISH | Aluminum with black epoxy |
| resin paint |
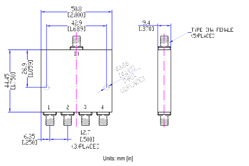
尺寸圖:

ELECTRO-PHOTONICS得到25年的處于被動rf射頻元器件制作與加工經驗總結,廠品涉及混合物和定向生耦合電路器、功分器、濾波器、測試方法板、消毒器、圓形器等廠品。
河南市立維創展信息技術不多公司的進口代理分銷商Electro-Photonics物品。若是所需Electro-Photonics紅外光,感謝點擊事件左面客服中心取得聯系你們!!!