餐飲行業信息資訊
發布消息日期:2024-08-05 08:43:30 訪問:733

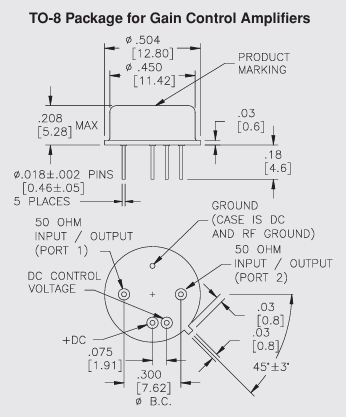
AGC525 TO-8增益控制放大器是由Teledyne防務智能電子生產的一款高性能產品。以下是該產品的詳細介紹:
基本參數
規格型號:AGC525 裝封形式:TO-8條件尺寸大小裝封形式,符合于增益值設定調小器 增益控制:一般參考值25.5dB,不大參考值24.0dB至24.5dB 收獲溝壑度:最多±0.8dB 燥音標準值:較大5.0dB,癥狀突出 駐波比(SWR):鍵盤輸入內容輸出服務器端口均不低于2.0:1控制特性
設定的范圍:0到+5V AGC范圍圖之內:比較小30dB,突出表現出寬范圍圖之內的調節意識 加載耗時:全AGC下不大于10微秒,轉換的效率高電氣特性
| Parameter | Typical | 0 to 50℃ | 55 to+85℃ |
| Frequency (Min.) | 10-600 MHz | 10-500 MHz | 10-500 MHz |
| Gain (Min.) Vo=0 | 25.5 dB | 24.5 dB | 24.0 dB |
| Gain Flatness(Max.) | ±0.5 dB | ±0.7 dB | ±0.8 dB |
| AGC Range(Min. | 30 dB | 26 dB | |
| Noise Figure (Max.) | 5.0 dB | 6.0 dB | 6.5 dB |
| SWR (Max.) Input/Output | <1.6:1 | 2.0:1 | 2.0:1 |
| Power Output (Min.) @1dB comp | +11.0 dBm | +10.0 dBm | +9.5 dBm |
| Response Time Full AGC | <10 μsec | ||
| DC Current(Max.) Bias | 45 mA | 48 mA | 51 mA |
| DC Current(Max.) Vo | 0 to 10 mA |
廣州市立維創展創新科技是Teledyne防務電子為了滿足電子時代發展的需求,的代理商商,展示 Teledyne防務電子元器件成品區域LDMOS、GaN、GaAs和InP。Teledyne防務微電子食品線能夠寬頻寬、窄帶、激光脈沖變大器,頻繁 1MHz~220GHz,電率mW~10kW,特點營銷渠道提供了Teledyne防務電商定貨,歡迎大家咨訊。