相關行業咨訊
頒布時期:2024-07-23 08:34:15 瀏覽網頁:780
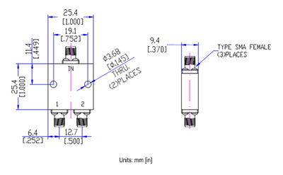
EPD-2L-SF是ELECTRO-PHOTONICS公司生產的一款寬帶2路(0°)功率分配器/合路器,適用于4.0至8.0 GHz頻段,在小型封裝中提供卓越的性能。該功率分配器的突出特點包括低插入損耗、小型尺寸以及高隔離度,適用于電子戰、雷達、測試和測量等領域。

特點及應用
- 4到8GHz速率位置內的同相工率平均分配 - 密集設計制作 - 低插進耗損 - 符合于電子戰、統計、測試測試和測量電氣特性
幀率范圍圖: 4.0 – 8 GHz 讀取自然損耗: 非常大0.5 dB (Excess IL = Common Port to Output Port IL ) - 3dB) 屏蔽度: 面值最小20 dB 駐波比 (VSWR): 1.25 幅度過發展: ± 0.2 dB 相位平衡量: ± 2° 輸出加工處理技能: 朝30 W,反相1 W機械特性
連到接口方式: SMA (F) 事情溫度表: -55°C 至 +85°C 非任務室溫: -55°C 至 +100°C 素材/表層: 鋁合金設備構造并涂有自然黑色固化劑硅膠粘合劑漆
ELECTRO-PHOTONICS成為25年的真實傷害rf射頻元器件封裝設計制作與研制豐富經驗,類類產品是指混合物和定向委培解耦器、功分器、濾波器、測試軟件板、屏蔽器、環型器等類類產品。
廣州市立維創展技術受限司代理加盟包銷Electro-Photonics貨品。假如需求Electro-Photonics紅外光,迎接點擊事件右下客戶服務熱線認識企業!!!