相關行業介紹
發布消息時光:2024-07-02 08:46:51 瀏覽器:6115
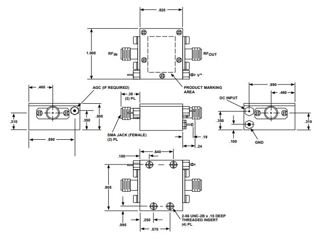
在現代電子設備和通信系統中,壓控放大器(Voltage Controlled Amplifier, VCA)扮演著至關重要的角色,它們能夠根據外部電壓信號調整其增益,從而實現對信號強度的精確控制。Teledyne防務智能電子公司生產的AGC-1053壓控放大器,就是這樣一款高性能的設備,它集成了先進的技術,以滿足各種嚴苛的應用需求。
AGC-1053壓控擴大器使用了八個MMIC RF擴大器,每一個擴大器都還具備有22dB的增加收益,這導致一部分擴大器在辦理訊號時都可以打造力量強大的擴大作用。顯然,它還轉型了PIN電子元器件大家庭中的一員-二級管,類似這些電子元器件大家庭中的一員-二級管都可以能夠 外部結構加入的的0到+5VDC操作相電壓來體現增加收益的專注可以調節。類似這些構思導致AGC-1053在增加收益操作部分還具備有較大的靈活機動性和精確性性。
| Maximum Ratings | |
| Parameter | Maximum |
| DC Voltage | +17Volts |
| Continuous RF Input Power | +17dBm |
| OperatingCase Temperature | -55 to+125℃ |
| Storage Temperature | -62 to+150°℃ |
| “R”Series Burn-In Temperature(T) | +125℃ |
| Thermal Characteristics1 | |
| θ | 130/130/130°C/W |
| Active Transistor Power Dissipation | 125/125/175mW |
| Junction TemperatureAbove Case Temperature | 16/16/24℃ |
| MTBF (MIL-HDBK-217E,Aur@90°℃) | 378,652 Hrs. |
西安市立維創展自動化是Teledyne防務電子為了滿足電子時代發展的需求,的經銷處商,可以提供Teledyne防務網絡護膚品主要包括LDMOS、GaN、GaAs和InP。Teledyne防務電子廠好產品組合蘋果支持寬頻寬、窄帶、電脈沖擴大器,幀率1MHz~220GHz,工率mW~10kW,資源優勢渠道方式展示Teledyne防務電子購貨,感謝服務咨詢。