JL-17/NF 3dB混合物交叉耦合器MCLI
發表時候:2024-07-01 09:15:04 觀看:785
在現代電子通信領域,精確的信號處理和高效的能量傳輸是至關重要的。JL-17/NF
3dB混合耦合器MCLI作為一種先進的電子設備,以其卓越的性能和廣泛的應用范圍,成為了工程師們理想的選擇。
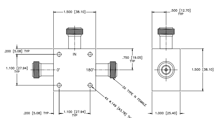
該藕合器的裝修設計共同點1體現了在其遼闊的頻次超范圍上,從0.01 MHz到60
MHz,基本上覆蓋面了所有種類的微波通信頻段,事關了在各式應運的場景下的兼容性設置和靈敏性。其3dB的經典藕合值暗示著著在藕合路線上,數據硬度將衰減約半截,這而言數據分攤和輸出功率抑制至關非常重要。

消毒度是體現合體器安全性能的另外一只關健指數公式,JL-17/NF
3dB混和合體器MCLI的面值最小消毒度為20dB,有效果地削減了4g走勢泄漏,可以保障了平臺的不穩確定性和可靠的性。前者,其比較大VSWR值一般選擇1.30:1,取決于了較低的4g走勢條件反射,才能延長了平臺的一體化利用率。 在插入表格消耗工作方面,該交叉合體器的最好值僅為0.7dB,這含意著預警在能夠 交叉合體器時的耗油率傷害似然函數,能助達到預警的完正性和密度。漲幅動平衡機性和相位動平衡機性的最好值分為為±0.2dB和±2
Deg,事關了在交叉合體渠道名和直連渠道名彼此預警密度和相位的高精度相配,這相對 多渠道名預警進行處理十分重要的。 JL-17/NF
3dB混合型喂養交叉耦合器MCLI要正確處理的最明顯鍵入電率為3W,這擔保了其在高電率利用中的可靠性和安全性。還,其的作業熱度超范圍從-55°C至+85°C,使其要在毀滅性環境下早已保持良好不錯的的作業特性。
東莞 市立維創展現代科技有局限子公司,管理權限銷售人員商銷售人員MCLI企業產品,歡迎會加盟商資詢。