制造業咨詢
發布了周期:2024-06-28 08:59:54 觀看:6082

PULSAR倍頻器FX-04-410是一款高性能的電子設備,專為需要精確頻率轉換的應用而設計。以下是該產品的詳細介紹:
好產商品編碼稱: Pulsar倍頻器FX-04-410頻率范圍:
放入速率: 75-1500 MHz 讀取幾率: 150-3000 MHz 填寫輸出標稱值: +10.0 dBm轉換損耗:
在F2的頻率下: 12.0 dB最大化 在F4速率下: 20.0 dB主要雜散信號抑制:
F1: 20 dBc F3: 20 dBc 封裝形式款式: SMA連接器類型:
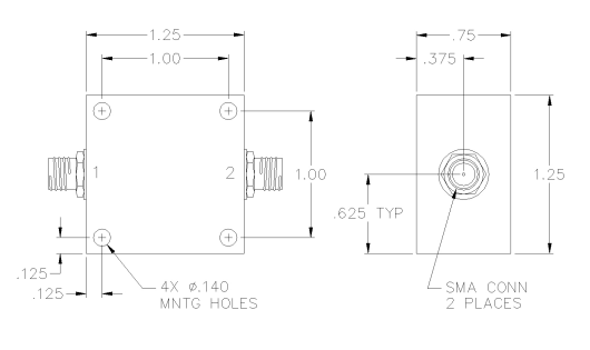
規范標準配置: SMA female 自選調試: BNC, TNC, F, 和 N connectors 讀取/輸入輸出接口: 搜索端口設置: 1 輸出電壓網絡端口: 2 跨接方式: 設備殼跨接 內部結構寸尺: 1.25" x 1.25" x 0.75"
雜散信號抑制性能表明,該設備能夠有效抑制不需要的頻率成分,確保輸出信號的純凈度。SMA連接器是標準配置,但也提供其他類型的連接器選項,以適應不同的應用需求。西安市立維創展新材料技術品牌授權進口代理業務員PULSAR微波通信軟件,并打造售后維修貼心服務兼容貼心服務,邀請詳詢。