業資迅
分享時間段:2024-06-26 08:54:21 瀏覽訪問:803
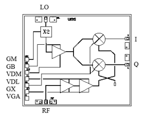
CHR2295-99F是UMS紅外光一款高性能的GaAs單片微波集成電路(IC),專為商業通信系統中的下變頻應用而設計。該芯片集成了多種功能,包括LO(本地振蕩器)時間雙倍頻器、平衡冷FET混頻器和RF低噪聲放大器(LNA),使其能夠有效地將LO信號轉換為RF信號。

該芯片的主要特點包括:
- 上行帶寬的配置穩定性:RF上行帶寬的配置為24-30 GHz,LO上行帶寬的配置為12-15 GHz。 - 改變增益值值:頻射增益值值(Conversion Gain)在11至15 dB內。 - 躁音因子:3.5 dB,可用做脈沖電流段>0.1 GHz。 - LO手機輸入馬力:最少參考值-10 dBm,更大參考值10 dBm。 - RF讀取輸出:在1 dB增益值擠壓點時為-10 dBm。 - 低直流變壓器最大功率耗費:120 mA @ 3.5 V。 - 處理芯片規格:2.49 x 1.97 x 0.10 mm。 CHR2295-99F所采用pHEMT生產工藝生產制造,兼具0.25μm的柵長,并完成基材孔、室內空氣橋和電子無線束柵北極光刻技術水平實現目標高精密度較和靠普性。單片機芯片的上面設計為rf射頻和直流變壓器接地裝置,抽象化了零件期間,加快了控制系統的靠普性和機械性能。河南市立維創展科技信息有限我司英文我司授權經銷UMS微波,針對部分型號的UMS產品提供優質的現貨產品庫存,歡迎咨詢。