17500-4015S SSBP多同軸Micro-D電線插銷長接地子SOUTHWEST
發部時候:2024-06-04 08:56:02 瀏覽記錄:895
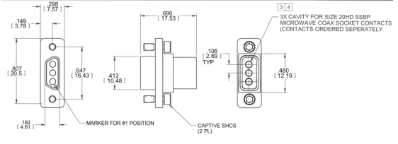
型號17500-4015S SSBP多同軸Micro-D電纜插頭長絕緣子是由SOUTHWEST華中微波射頻制造的一款高性能連接器組件。該插頭專為Micro-D連接器系統設計,適用于高密度、多通道的應用場景,尤其是在對頻率、帶寬和信號損耗有嚴格要求的通信環境中表現出色。

原料和從接觸面層治療各方面,該電源線的殼體選擇鋁耐熱合金型材屬6061原料,并都可以依照ASTM B221規范細則確定生產加工,從接觸面層經途無電解法鎳電鍍件治療,復合ASTM
B733-90規范細則,以增加耐氧化性和堅固耐用性。隔絕子選擇ULTEM 1000原料,復合ASTM
D5205規范細則,都具有市場大的的電器設備隔絕效能和耐持續高溫效能。重置夾選擇BeCu耐熱合金屬(UNS-C17200),都可以依照ASTM
B194規范細則手工制造,確保電源線與電源插座的牢靠相連接。選中化學物質為固化劑酚醛樹脂,用在保護性內層格局和增加布局效能。按裝系統配置選擇鋁合金原料,復合SAE-AMS-QQ-S-763規范細則,從接觸面層確定鈍化治療,復合ASTM
A967規范細則,以促進抗氧化性能。 該電源插頭的作用以及4個同軸插孔,專為SSBP(Shielded Single Bayonet
Plug)設計的,各個SSBP和數據走勢接點開關皆是可加上和可移除的,有利于定期維護和調換,在使用規則M81969/39-01加上/撥掉軟件工具只能展開。電源插座開關接點開關與MIL-C-39029/64規則的數據走勢電源插座開關接點開關兼容,以保證了很好的互相交換性和兼容性設置。長寬和斜度行業分別為為屏幕長寬比和度數,括號內的長寬以直徑為行業,有利粉絲表明不一的需求展開決定和連接。

東莞 市立維創展現代科技擁用SOUTHWEST華北微波加熱大有些款式帶來了期貨的產品,并幫助帶來了枝術不支持與售后客服功能。
信息了解到SOUTHWEST東南徽波請點擊事件://www.zhixianguangzhou.com.cn/brand/7.html