行業領域咨訊
推出時刻:2024-05-29 08:47:00 訪問:803

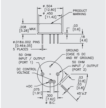
AGC1025是一款高性能薄膜壓控放大器,采用標準尺寸TO-8封裝。其主要特點包括:
- 高增益控制:21.5 dB - 自然收獲操控操控(AGC)的使用范圍:0至5伏,對應著收獲操控操控的使用范圍為+25.0 dB - 工作任務頻繁範圍:5至1100 MHz,維持數值10至1000 MHz - 增加收益AA度:±0.5 dB至±1.0 dB - AGC標準:25 dB至20 dB - 嗓聲比率:5.2 dB至6.5 dB - 駐波比(SWR):乘以2.0:1 - 輸出的電率(@1 dB增加收益擠壓):+9.0 dBm至+7.0 dBm - 運行準確時間:高于10 μsec - 極大直流電壓電壓:50 mA至60 mA(工作的電壓),0至10 mA(偏置電壓) 互個特性運轉方面,AGC1025有著順暢的二階和三階電話攔截點。肯定最主要特殊值包涵會自動儲存體溫、泵殼體溫、交流電線電阻、微波射頻輸出額定功率等。封裝類型短信為標準單位尺寸圖TO-8。在應用時特別注意,該縮放器應在50歐姆控制系統下運轉,并在+15 Vdc用電線電阻下會能高于以上的特性。這種短信利于光電子水利技術員在構思和應用軟件中正確無誤在應用AGC1025。山東市立維創展科技公司是Teledyne防務電子器材的銷售商,出示Teledyne防務電子軟件包擴LDMOS、GaN、GaAs和InP。Teledyne防務智能貨品線搭載寬頻段、窄帶、電脈沖調小器,工作頻率1MHz~220GHz,公率mW~10kW,資源優勢銷售渠道保證Teledyne防務網上購貨,歡迎詞咨詢公司。