行業領域資訊、短視頻軟件
發布新聞時候:2024-05-20 09:02:27 手機瀏覽:872

主要特點:
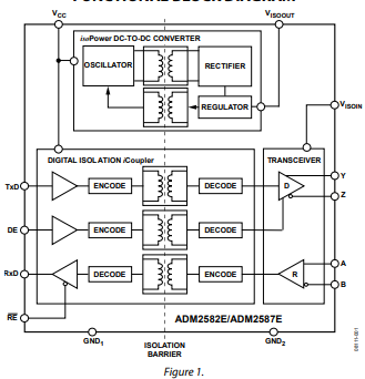
- 完全性ibms式防護分隔數劇出入庫器:ADM2587Eibms了三通管件道防護分隔器、三態差分路線驅程器、差分進入接受器和這個isoPower DC/DC變換器,給出了這個系統的數據和電壓防護分隔很好解決實施方案。 - ±15 kV ESD守護:RS485錄入/輸送引腳都具有靜電反應發出電(ESD)守護,增加了設備的壽命長性和可信性。 - 結合式防護DC-DC電壓:原帶的isoPower技巧出具防護的DC/DC轉化成,不用再靜態DC/DC防護組件。 - 遵循標淮:規劃遵循ANSI TIA/EIA-485-A-98和ISO 8482:1987(E)標淮,使應用于均衡化的文件傳輸路線圖。 - 具備靈活性高的業務的電壓:可以5V或3.3V單電壓供電系統。 - 高參數報告帶寬:ADM2587E適用萬代高達500 kbps的參數報告帶寬。 - 多組件的支持:串口通信能夠 無線連接多256個組件。 - 告警保養:應具擊穿和擊穿告警保養接受器投入,甚至熱關斷保養的功能。 - 高共模瞬變抗擾度:擁有達到25 kV/μs的共模瞬變抗擾度,增加了操作系統在惡略工作環境下的維持性。應用:
- 防護消毒式RS-485/RS-422usb接口類型:常適用必須要電子商務防護消毒的RS-485/RS-422通訊網絡usb接口類型。 - 產業場地電腦網站:在產業機械化和調整系統軟件中,用以倡導不靠譜的微波通信電腦網站。 - 單點數據源顯示傳導操作軟件:在單點光纖通信操作軟件中,用做高速公路數據源顯示傳導和收。產品型號:
| Model' | Data Rate (MMbps | Temperature Range | Package Description | Package Option | |
| ADM2582EBRWZ ADM2582EBRWZ-REEL7 | 16 16 | -40℃ to+85℃ -40℃ to+85℃ | 20-Lead SOIC_W 20-Lead SOIC_W | RW-20 RW-20 | |
| ADM2587EBRWZ ADM2587EBRWZ-REEL7 | 0.5 0.5 | -40℃ to +85℃ -40℃ to+85℃ | 20-Lead SOIC_W 20-Lead SOIC_W | RW-20 RW-20 | |
| EVAL-ADM2582EEBZ EVAL-ADM2582EEMIZ EVAL-ADM2587EEBZ EVAL-ADM2587EEMIZ EVAL-ADM2587EARDZ EVAL-ADM2587ERPIZ EVAL-ADM2587EEB2Z | ADM2582E Evaluation Board ADM2582E EMI Compliant Evaluation Board ADM2587E Evaluation Board ADM2587E EMI Compliant Evaluation Board ADM2587E Arduino Evaluation Board ADM2587E Raspberry Pi Evaluation Board ADM2587E Isolated RS-485 Repeater Evaluation Board | ||||