職業最新資訊
發表準確時間:2024-05-10 08:48:57 打開網頁:826
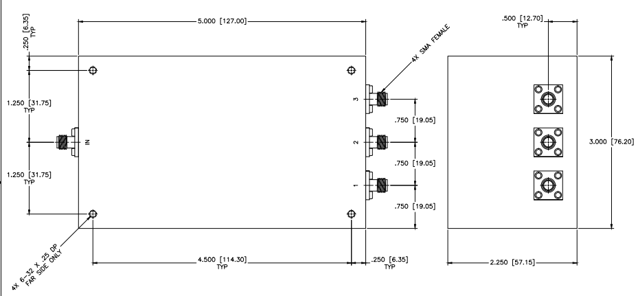
PLH3-2和PLH3-1是MCLI功率分配器/合并器。它們具有不同的頻率范圍。PLH3-2的頻率范圍是從0.02 GHz至0.13 GHz,而PLH3-1的頻率范圍是從0.03 GHz至0.5 GHz。關于VSWR(駐波比),PLH3-2的VSWR為0.35 dB,而PLH3-1的VSWR為0.75 dB。

具體參數如下:
| Part# | Frequency Range (GHz) | Insertion Loss (dB) | lsolation(dB) | VSWR | Balance | Phase Balance | Power Avg.(W) | ||||
| Min A | Max A | In÷ | out | ||||||||
| PLH3-2 | 0.02 | 0.13 | 0.35 | 35 | 1.30:11.30:1 | ±0.2dB | ±5° | 100 | |||
| PLH3-1 | 0.03 | 0.5 | 0.75 | 20 | 1.35:11.35:1 | ±0.3dB | ±5° | 100 | |||
成都 市立維創展科技發展不多集團公司,權限代理加盟賣MCLI品牌,受歡迎朋友顧問。