BXMP1012低噪音頻射圖像電壓放大器API Tech
推送用時:2024-05-08 08:52:00 瀏覽記錄:704

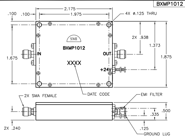
BXMP1012低噪音分貝變成器就是款專為都要低噪音分貝、高線性網絡度和高的輸出電率的應用軟件而設置的變成器。它含有以下的關鍵優點和缺點和主要優勢: 1. 低躁聲指數公式:主要數值3.7 dB,最高數值4.0 dB,可應用領域于于標準高信噪比的應用領域環境。 2. 高二階斷開點:先進典型值>+49 dBm,能保證在面向高大幅度輸出的信號時不能存在突出的非線型偏色。 3. 高中階和二階雙音截取點:分開 為+95 dBm(具代表性值)和+93 dBm(具代表性值),也可以加工逐年度的發送4g信號而未受直接影響。 4. 高工作效率1 dB減少點:舉例值一般選擇+32 dBm,輸出的工作效率大,在高負債原因下仍能增加較低模糊。 5. 本職工作的溫度超范圍豐富:適于于-55℃至+100℃的本職工作的環鏡溫度,-62 ℃至 +125 ℃的店鋪溫度想要。 6. 的頻帶寬度使用范圍密切:0.5 - 35 MHz,可能夠滿足區別的頻帶寬度下的技術應用要。 7. 輸入/讀取工作效率及增加收益品種確定:有著明顯的工作效率、增加收益和解壓縮點品種,以便于大家在設計的和采用時完成明確確定。 8. VSWR低:搜索和效果電阻駐波比均乘以1.5:1,確保警報傳導熱效率。 9. 不適用性鄰域普遍:遠程通信技術、雷達探測、測驗機器等鄰域,不適用性于必須 辦理忽閃的無線信號并實現的無線信號完成性和效率的場景中。
| CHARACTERISTIC | TYPICAL Ta=25 ℃ | MIN/MAX Ta =0℃ to+50℃ |
| Frequency | 0.5 -35 MHz | 05-35 MHz |
| Gain(dB) | 22 | 21.5 Min./ 22.5 Max |
| Gain Flatness (dB) | 0.5 | 0.5 Min. |
Power @ 1 dB Comp.(dBm) | +32 | +31 Min |
| P2(dBm)5-35 MHz | 93 | 90 Min |
| IP3(dBm | 49 | 47 Min. |
Reverse lsolation (dB) | 27 | 26 Min. |
| VSWR | In Out | <1.5:1 <1.5:1 | 1.5:1 Max 1.5:1 Max |
| Noise figure (dB) | 3.7 | 4.0 Max |
Powe Vdc mA | +24 425 | +24 450 Max |