行業內資迅
發布的時間:2024-04-22 09:28:29 搜索:873
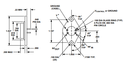
AGC-330是一款壓控放大器,由Teledyne公司生產。它采用了兩級薄膜雙極射頻放大器和具有0至5伏直流控制的PIN二極管的組合。這種設計使得AGC-330能夠實現超過36 dB的增益變化。電阻反饋確保了在不同溫度下的穩定增益,并且通過使用旁路電容器和扼流圈來對偏置輸入電壓進行射頻保護。該放大器封裝在TO-3密封封裝中。

以下是AGC-330的主要特性:
- 工作頻率比率:5至300 MHz- 單包封口- 寬AGC規模:36 dB(典型示范值)- 22 dB的收獲(主要表現值)AGC-330的主要應用包括:
- 開環或反饋掌控增加收益掌控- 接受到機的輸出增益值控住- 液位變送器輸出的調平掌控這種性質和應用令AGC-330在多方面的微波射頻光電裝置中具有著為重要的功用,隨后通訊技術機械設備、雷達探測裝置等。| Maximum Ratings | |
| Parameter | Maximum |
| DC Voltage | +17 Volts |
| Continuous RF Input Power | +13 dBm |
| Operating Case Temperature | -55 to +125℃ |
| Storage Temperature | -62 to +150℃ |
| “R”Series Burn-In Temperature | +125°℃ |
| Thermal Characteristicsl | |
| θ?c | 105/105°C/W |
| Active Transistor Power Dissipation | 105/180 mW |
| Junction Temperature Above Case Temperature | 11/19°℃ |
| Weight:(typical)14.5 grams | |
山東市立維創展科技信息是Teledyne防務電子設備的經售商,提拱Teledyne防務電子廠軟件包涵LDMOS、GaN、GaAs和InP。Teledyne防務電子技術品牌線兼容寬頻帶寬度、窄帶、電磁增加器,的頻率1MHz~220GHz,功效mW~10kW,好處分銷渠道展示Teledyne防務智能電子定購,喜愛咨詢公司。
商品詳情清楚Teledyne防務智能電子請選擇://www.zhixianguangzhou.com.cn/brand/46.html