市場介紹
發部精力:2024-03-21 09:23:53 搜素:852
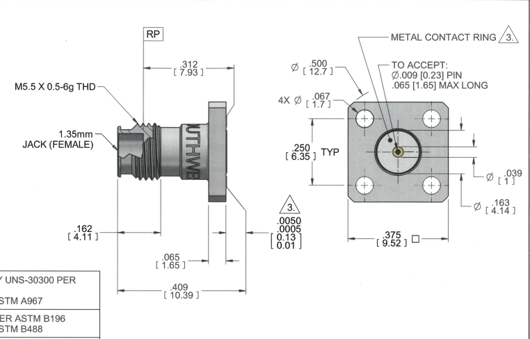
SOUTHWEST西南微波 2212-00SF 1.35 mm (E) 插孔(母) 4 孔 .375 方形的對接器是專為微帶或地線共控制面版而制定的,可用在于一些生態板和板厚。是專為微帶或地線共控制面版而制定的,可用在于一些生態板和板厚。該對接器確保優越的數據系統性,可言環應用,不必電焊焊接,裝更加快捷。


連接器特性:
插孔結構性質:1.35mm Jack(Female),象征著該無線聯接器為母頭(插板)結構性質,適于于與相對應的公頭(插針)的配備無線接。
機殼村料:無線射頻連接器機殼選取鋼坯手工制造,有正常的機器比強度和安全穩判定。
學習相關建筑材料:學習個部分適用BeCu鎳鋼(UNS-C17300),那是其中一種品質的導電相關建筑材料,可抓好走勢互傳的穩固性和可信度性。
面除理:碰觸面經歷過金條電鍍件除理(不符合ASTM B488條件),以提高了導電性能指標和抗空氣氧化的能力。
一些性質:拼接器設定有360°的材料材質跨接環,出示了優異的禁掉作用,降低電滋打擾。雖然,它還要具備有一個凹陷的材料材質跨接環,益于滿足快又穩固的跨接拼接。
SOUTHWEST西南方微波加熱廠家建立于1981年,為公厘波和高工率微波射頻用可以提供最高的性能方面的互連成品。SOUTHWEST華中紅外光物料包括各種各樣準則活套法蘭直接頭、SMA連接管、N型頭無線接插件、TNC連到器、2.92mm銜接器、2.40mm接觸器、兼容器、電話轉接頭等。SOUTHWEST廠品以高的性能、高精度為的技術優點,SOUTHWEST廣泛操作操作于測試軟件、軍品等新項目。如以及毫米(mm)無線防水連接器、電纜線等。
西安市立維創展科技公司擁用SOUTHWEST東南微波射頻大那部分應用提拱外盤物品,并協助執行提拱技木的支持與售服服務培訓。
信息知曉SOUTHWEST西北微波通信請打開://www.zhixianguangzhou.com.cn/brand/7.html