產業房產資訊
發部時候:2024-03-18 17:08:10 觀看:826
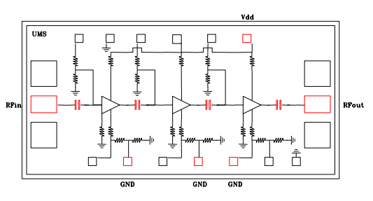
UMS的CHA2069-99F是款二級自偏置寬帶網單支低躁音調大器。
CHA2069-99F利用的標準體系 pHEMT 工藝技巧技巧:0.25μm 柵極尺寸大小、橫穿基材的通孔、氣氛橋和網絡束柵星空刻能力。
CHA2069-99F以IC芯片機制帶來。

最主要的本質特征
光纖寬帶使用性能16-31GHz
2.5dB相位噪音污染
低直流電壓電性能耗損率,55mA
20dBm三階截距點
封口尺寸規格:2170 x 1270x0.1mm
廣州市立維創展信息技術有限工司英文工司認證供應商UMS微波通信,專門針對組成部分規格型號的UMS的物料保證一流的現貨交易的物料庫存管理,認可詢問。