市場信息資訊
正式發布日子:2024-03-07 17:15:25 瀏覽網頁:839
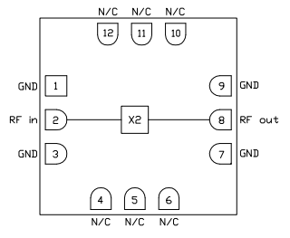
Custom MMIC的CMD227C3是款選擇陶瓷制品QFN型二極管封裝的帶寬MMIC GaAs x2無源倍頻器。當由 +15 dBm 衛星信號驅動器時,CMD227C3在23 GHz輸出平率下必備條件 11 dB 還原成不足。Fo 和3Fo 消毒度各是 38 dBc 和 49 dBc。CMD227C3選購 50 Ω適用設計的概念,不要求 RF 網口適用。

特性
低轉為損耗率
優異的的Fo 丟開
移動寬帶性
不必刻板印象
能夠滿足 RoHS 標準規定化的無鉛 3x3 mm SMT 封裝類型形態
基本特征廣泛應用
電子為了滿足電子時代發展的需求,戰(EW)
X股票波段雷達天線
Ku頻譜雷達天線
行政區域三維空間
通信衛星通信(Satcom)
Custom MMIC正式成立于2006年,是家無晶圓頻射和微波加熱MMIC制定我司,CUSTOM MMIC讓工業企業選擇差不多型中非常好的MMIC改善用戶數的rf射頻信號燈鏈。CUSTOM MMIC是完好的ISO實名認證網頁設計師和同種型比較好MMICs供給商。CUSTOM MMIC給出保持增長額的高耐磨性微波射頻/微波加熱MMIC車輛線。
QORVO對于美國的出名的紅外光與mm波遙遙領先加工廠商,為全時代大家出具至高的規格的GaN和GaAs新產品,Qorvo在2020年成功完成Custom MMIC購買。
山東市立維創展科學現有集團授權文件代理權經銷商Custom MMIC物品線,深表歉意供給歡迎辭咨訊自己!!!