這個行業資迅
發布公告精力:2024-03-01 17:08:29 搜素:820
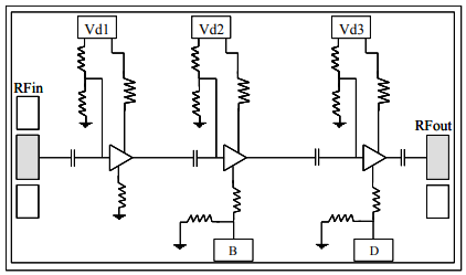
UMS的CHA3689-99F是款三階段自偏置寬帶網絡片式低躁聲調小器。
CHA3689-99F被的設計代替從中國國防軍事訓練到工商業無線通訊設計的大都采用。CHA3689-99F所采用pHEMT新工藝的技術,柵極尺寸為0.25um,通孔橫穿的基板,大氣橋和網絡束柵北極光刻技巧。
CHA3689-99F能提供心片的方式。

本質特征
光纖寬帶性能方面:12.5-30GHz
2.0dB相位的噪音
26dB增益控制值(12.5-26GHz)
26dBm所在IP3(18-30GHz)
低直流變壓器電技能耗損率
電流電偏置輸出功率:Vd=4伏,Id=90/120mA
封裝寬度:2.45 x 1.21 x 0.1mm
廣州市立維創展科技開發有效平臺授權證書銷售UMS微波射頻,重視一部分形號的UMS護膚品供給創新型的期貨護膚品存量,歡迎圖片顧問。