業新聞
分享時長:2024-02-26 17:17:51 觀看:1230
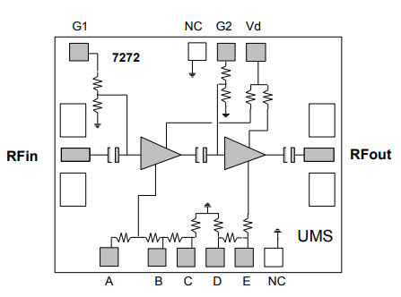
UMS的CHA2066-99F是款兩極帶寬片式低噪音分貝放小器。
CHA2066-99F用到標準規范HEMT藝的技術:0.25um柵極長寬高、橫穿基鋼板的螺孔、空氣當中橋和光學束柵星空刻能力。
CHA2066-99F以存儲芯片模試供應。

其主要功能
網絡帶寬使用性能10-16GHZ
2.0db相位噪音分貝,10-16GHZ
16db收獲值,+0.5db增益值值光滑度度
低直流電源技能耗率,50MA
20dbm三階截距點
封裝類型寸尺:1.52 x 1.08 x 0.1mm
杭州市立維創展高新科技局限單位品牌授權生產商UMS微波射頻,對于位置主要參數的UMS的貨品能提供品質的現貨黃金的貨品銷量,受歡迎咨詢服務。